lemon-mirror:
Home >> Lexus >> 2007 >> IS 350 >> Repair and Diagnosis >> Electrical >> Body Electrical >> OEM System Circuits >> Vehicle Dynamics Integrated Management >> Notes

Vehicle Dynamics Integrated Management: Notes

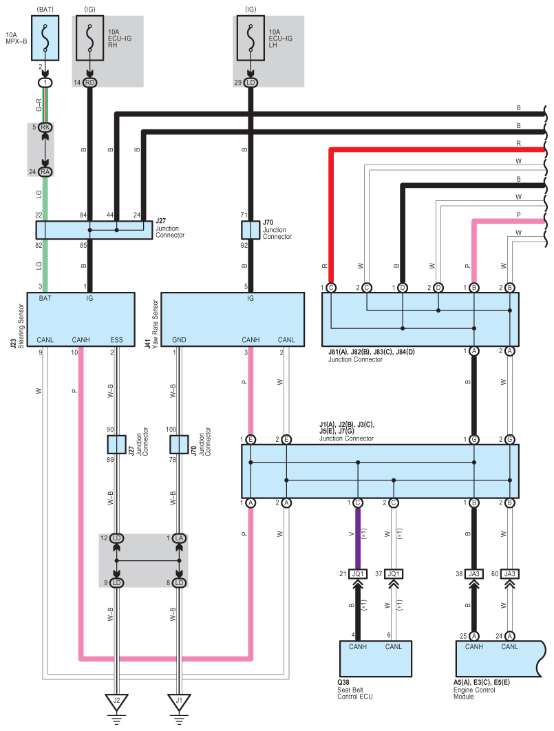
Fig 1: Vehicle Dynamics Integrated Management - Wiring Diagram (1 Of 8)
G08918560Courtesy of © TOYOTA, LICENSE AGREEMENT TMS1002
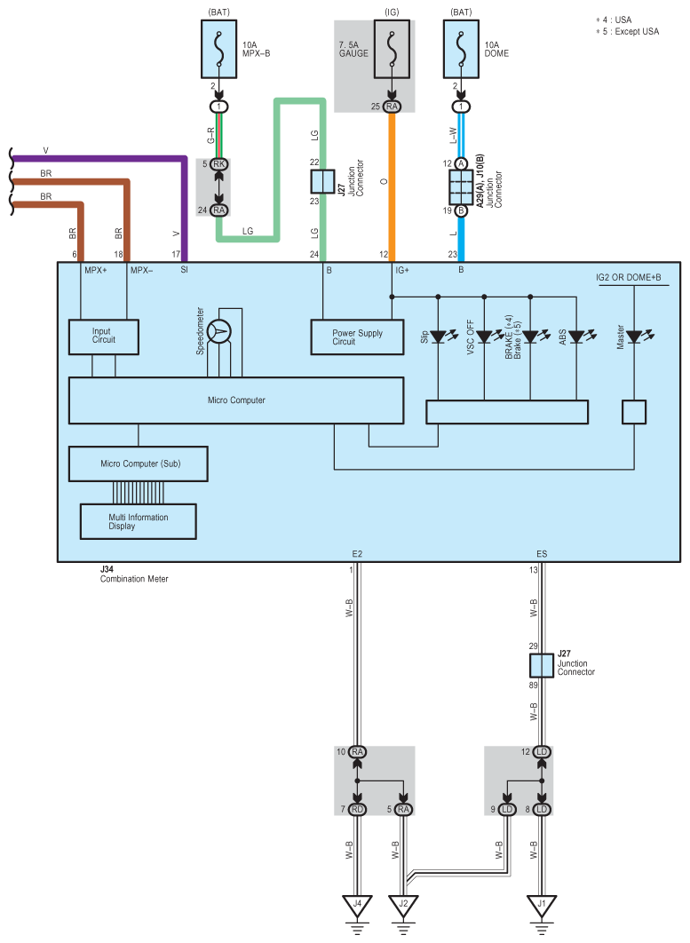
Fig 2: Vehicle Dynamics Integrated Management - Wiring Diagram (2 Of 8)
G08918561Courtesy of © TOYOTA, LICENSE AGREEMENT TMS1002
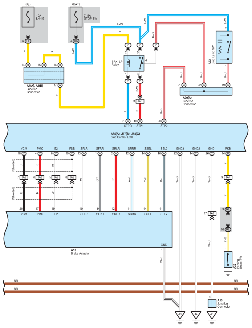
Fig 3: Vehicle Dynamics Integrated Management - Wiring Diagram (3 Of 8)
G08918562Courtesy of © TOYOTA, LICENSE AGREEMENT TMS1002
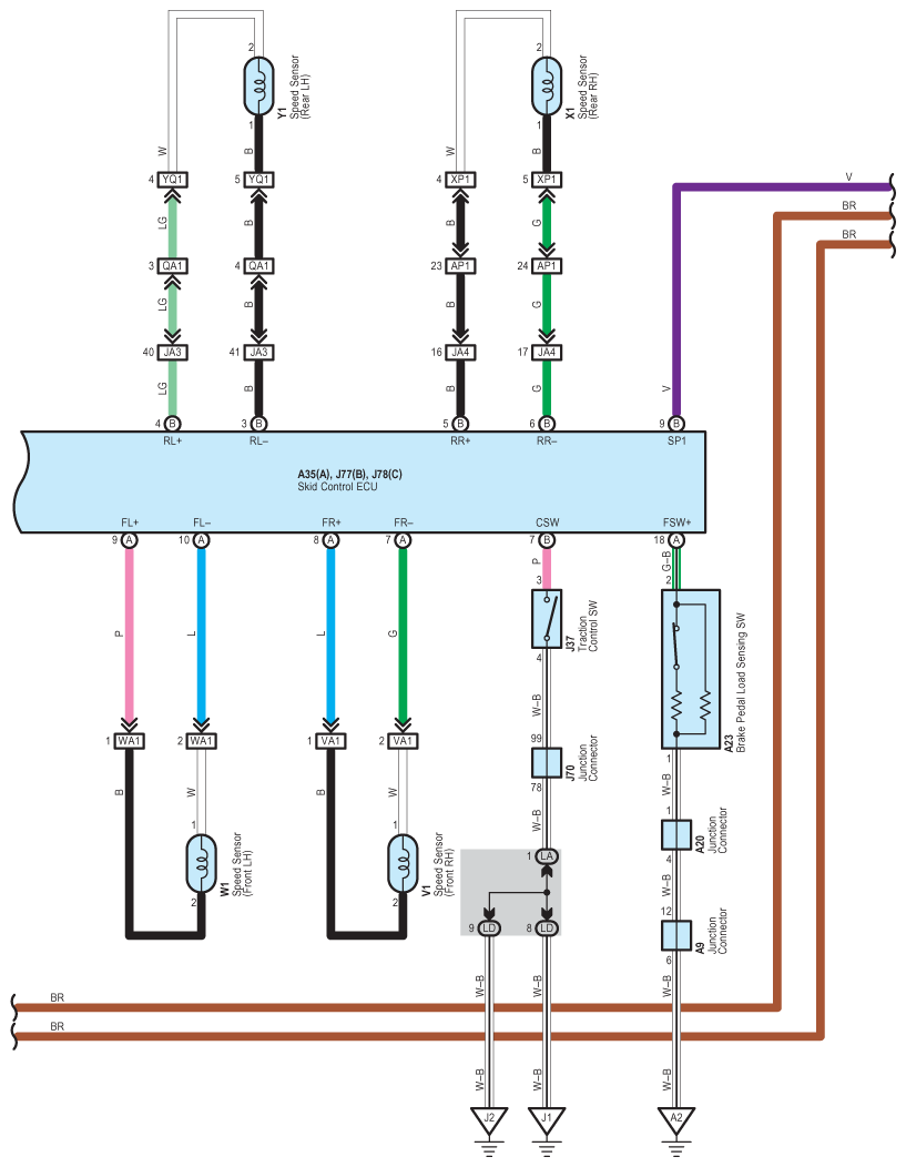
Fig 4: Vehicle Dynamics Integrated Management - Wiring Diagram (4 Of 8)
G08918563Courtesy of © TOYOTA, LICENSE AGREEMENT TMS1002
Fig 5: Vehicle Dynamics Integrated Management - Wiring Diagram (5 Of 8)
G08918564Courtesy of © TOYOTA, LICENSE AGREEMENT TMS1002
Fig 6: Vehicle Dynamics Integrated Management - Wiring Diagram (6 Of 8)
G08918565Courtesy of © TOYOTA, LICENSE AGREEMENT TMS1002
Fig 7: Vehicle Dynamics Integrated Management - Wiring Diagram (7 Of 8)
G08918566Courtesy of © TOYOTA, LICENSE AGREEMENT TMS1002
Fig 8: Vehicle Dynamics Integrated Management - Wiring Diagram (8 Of 8)
G08918567Courtesy of © TOYOTA, LICENSE AGREEMENT TMS1002