lemon-mirror:
Home >> Lexus >> 2007 >> IS 350 >> Repair and Diagnosis >> Transmission >> Automatic Trans >> Automatic Transaxle >> Automatic Transmission System >> System Diagram

System Diagram

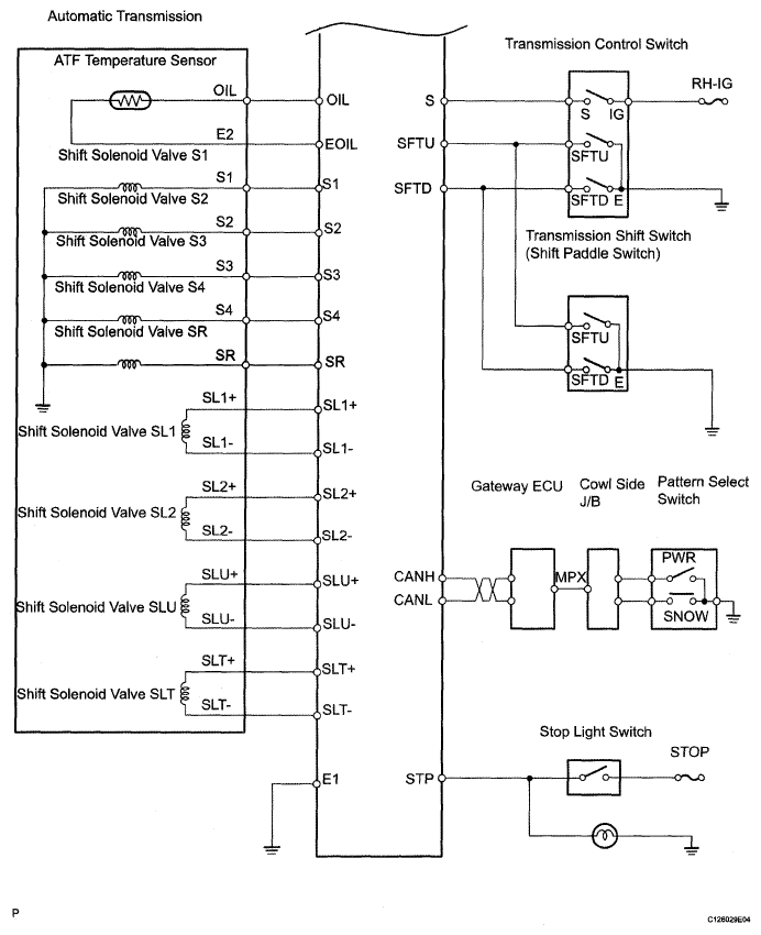
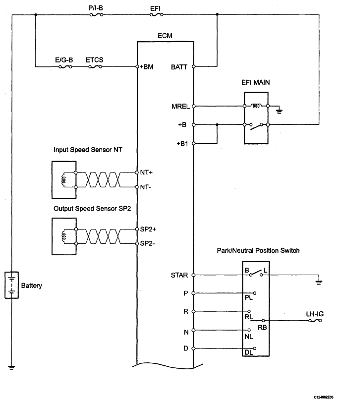
The configuration of the electronic control system in the A760E automatic transmission is as shown in the following chart.

Fig 1: Automatic Transmission (A760E) System Diagram (1 Of 2)
G05316789Courtesy of © TOYOTA, LICENSE AGREEMENT TMS1002
Fig 2: Automatic Transmission (A760E) System Diagram (2 Of 2)
G05316790Courtesy of © TOYOTA, LICENSE AGREEMENT TMS1002
Fig 3: Automatic Transmission (A760E) - Circuit Diagram (1 Of 2)
G05316791Courtesy of © TOYOTA, LICENSE AGREEMENT TMS1002
Fig 4: Automatic Transmission (A760E) - Circuit Diagram (2 Of 2)
G05316792Courtesy of © TOYOTA, LICENSE AGREEMENT TMS1002