lemon-mirror:
Home >> Lexus >> 2007 >> LS 460 >> Repair and Diagnosis >> Electrical >> Body Electrical >> OEM System Circuits >> Audio System without SDARS >> Notes

Audio System without SDARS: Notes

Fig 1: Audio System Without SDARS System Wiring Diagram (1 Of 18)
G08920923Courtesy of © TOYOTA, LICENSE AGREEMENT TMS1002
Fig 2: Audio System Without SDARS System Wiring Diagram (2 Of 18)
G08920924Courtesy of © TOYOTA, LICENSE AGREEMENT TMS1002
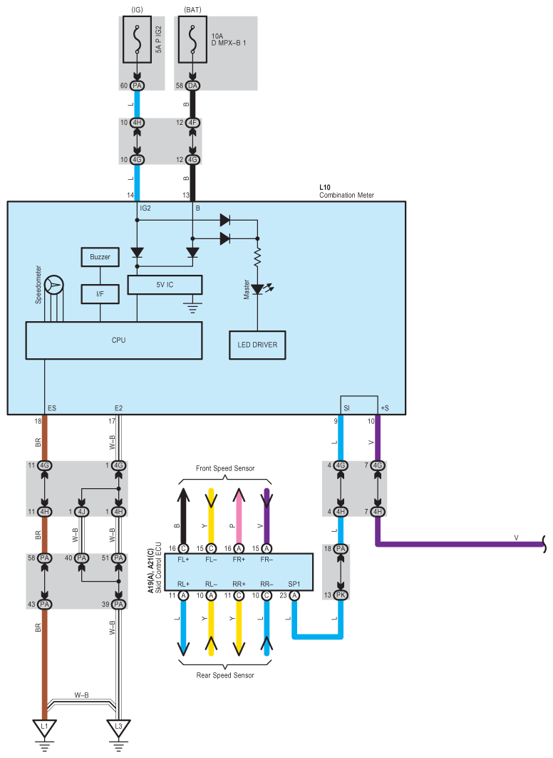
Fig 3: Audio System Without SDARS System Wiring Diagram (3 Of 18)
G08920925Courtesy of © TOYOTA, LICENSE AGREEMENT TMS1002
Fig 4: Audio System Without SDARS System Wiring Diagram (4 Of 18)
G08920926Courtesy of © TOYOTA, LICENSE AGREEMENT TMS1002
Fig 5: Audio System Without SDARS System Wiring Diagram (5 Of 18)
G08920927Courtesy of © TOYOTA, LICENSE AGREEMENT TMS1002
Fig 6: Audio System Without SDARS System Wiring Diagram (6 Of 18)
G08920928Courtesy of © TOYOTA, LICENSE AGREEMENT TMS1002
Fig 7: Audio System Without SDARS System Wiring Diagram (7 Of 18)
G08920929Courtesy of © TOYOTA, LICENSE AGREEMENT TMS1002
Fig 8: Audio System Without SDARS System Wiring Diagram (8 Of 18)
G08920930Courtesy of © TOYOTA, LICENSE AGREEMENT TMS1002
Fig 9: Audio System Without SDARS System Wiring Diagram (9 Of 18)
G08920931Courtesy of © TOYOTA, LICENSE AGREEMENT TMS1002
Fig 10: Audio System Without SDARS System Wiring Diagram (10 Of 18)
G08920932Courtesy of © TOYOTA, LICENSE AGREEMENT TMS1002
Fig 11: Audio System Without SDARS System Wiring Diagram (11 Of 18)
G08920933Courtesy of © TOYOTA, LICENSE AGREEMENT TMS1002
Fig 12: Audio System Without SDARS System Wiring Diagram (12 Of 18)
G08920934Courtesy of © TOYOTA, LICENSE AGREEMENT TMS1002
Fig 13: Audio System Without SDARS System Wiring Diagram (13 Of 18)
G08920935Courtesy of © TOYOTA, LICENSE AGREEMENT TMS1002
Fig 14: Audio System Without SDARS System Wiring Diagram (14 Of 18)
G08920936Courtesy of © TOYOTA, LICENSE AGREEMENT TMS1002
Fig 15: Audio System Without SDARS System Wiring Diagram (15 Of 18)
G08920937Courtesy of © TOYOTA, LICENSE AGREEMENT TMS1002
Fig 16: Audio System Without SDARS System Wiring Diagram (16 Of 18)
G08920938Courtesy of © TOYOTA, LICENSE AGREEMENT TMS1002
Fig 17: Audio System Without SDARS System Wiring Diagram (17 Of 18)
G08920939Courtesy of © TOYOTA, LICENSE AGREEMENT TMS1002
Fig 18: Audio System Without SDARS System Wiring Diagram (18 Of 18)
G08920940Courtesy of © TOYOTA, LICENSE AGREEMENT TMS1002