lemon-mirror:
Home >> Lexus >> 2007 >> LS 460 >> Repair and Diagnosis >> Electrical >> Body Electrical >> OEM System Circuits >> Back-Up Light >> Notes

Back-Up Light: Notes

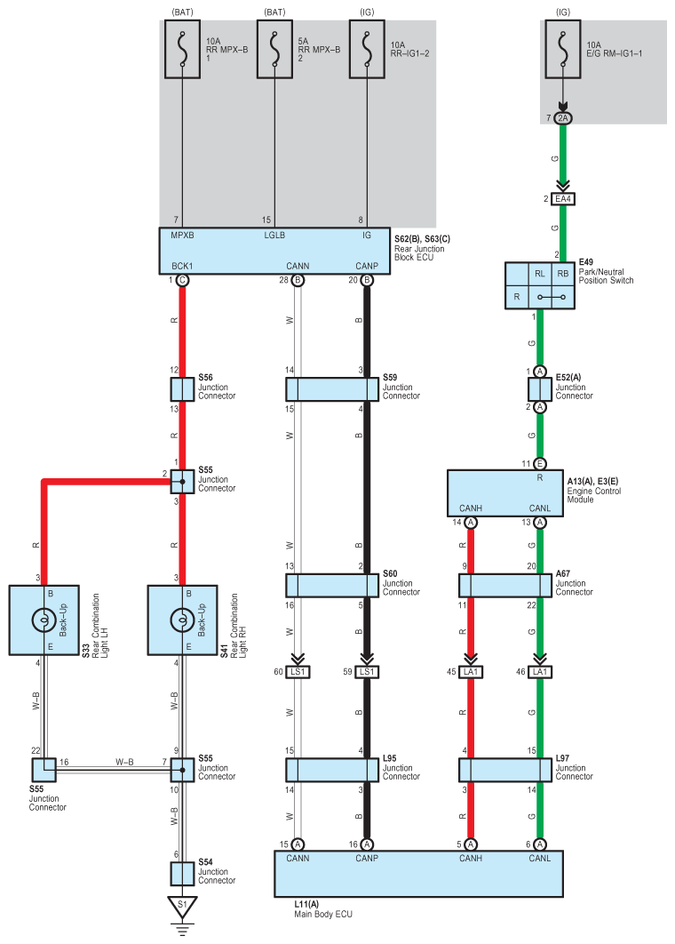
Fig 1: Back-Up Light System Wiring Diagram
G08920615Courtesy of © TOYOTA, LICENSE AGREEMENT TMS1002