lemon-mirror:
Home >> Lexus >> 2007 >> LS 460 >> Repair and Diagnosis >> Electrical >> Body Electrical >> OEM System Circuits >> Brake Hold System >> Notes

Brake Hold System: Notes

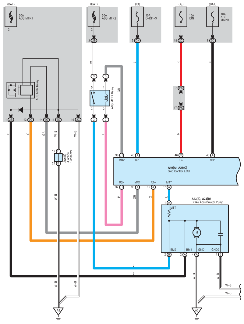
Fig 1: Brake Hold System Wiring Diagram (1 Of 10)
G08920731Courtesy of © TOYOTA, LICENSE AGREEMENT TMS1002
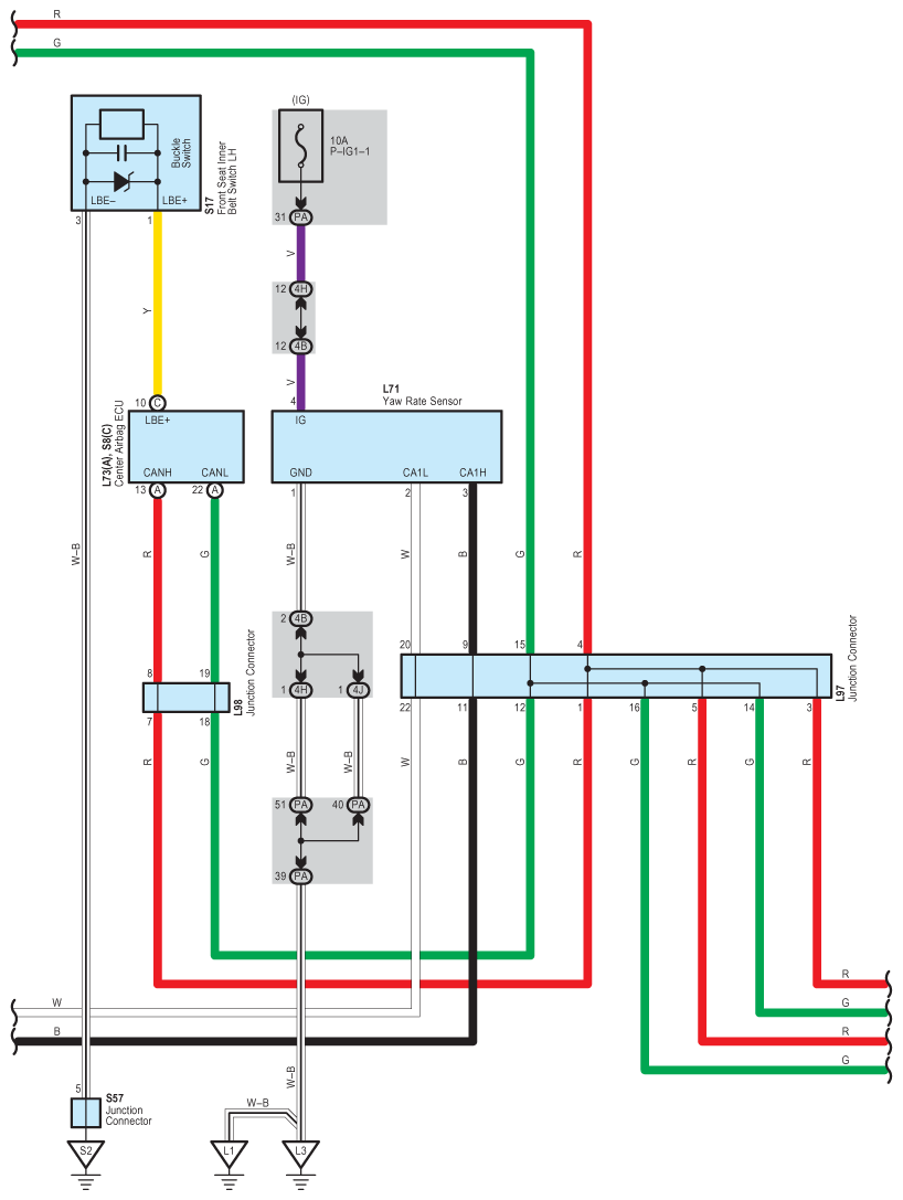
Fig 2: Brake Hold System Wiring Diagram (2 Of 10)
G08920732Courtesy of © TOYOTA, LICENSE AGREEMENT TMS1002
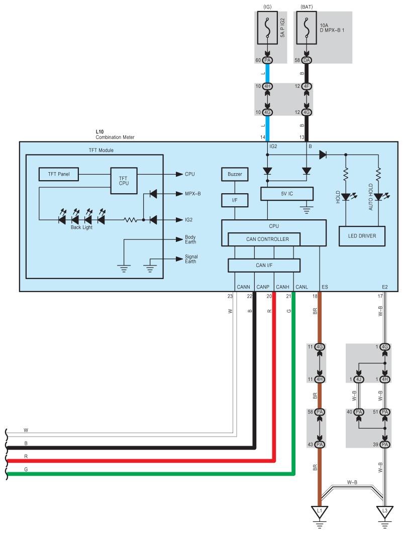
Fig 3: Brake Hold System Wiring Diagram (3 Of 10)
G08920733Courtesy of © TOYOTA, LICENSE AGREEMENT TMS1002
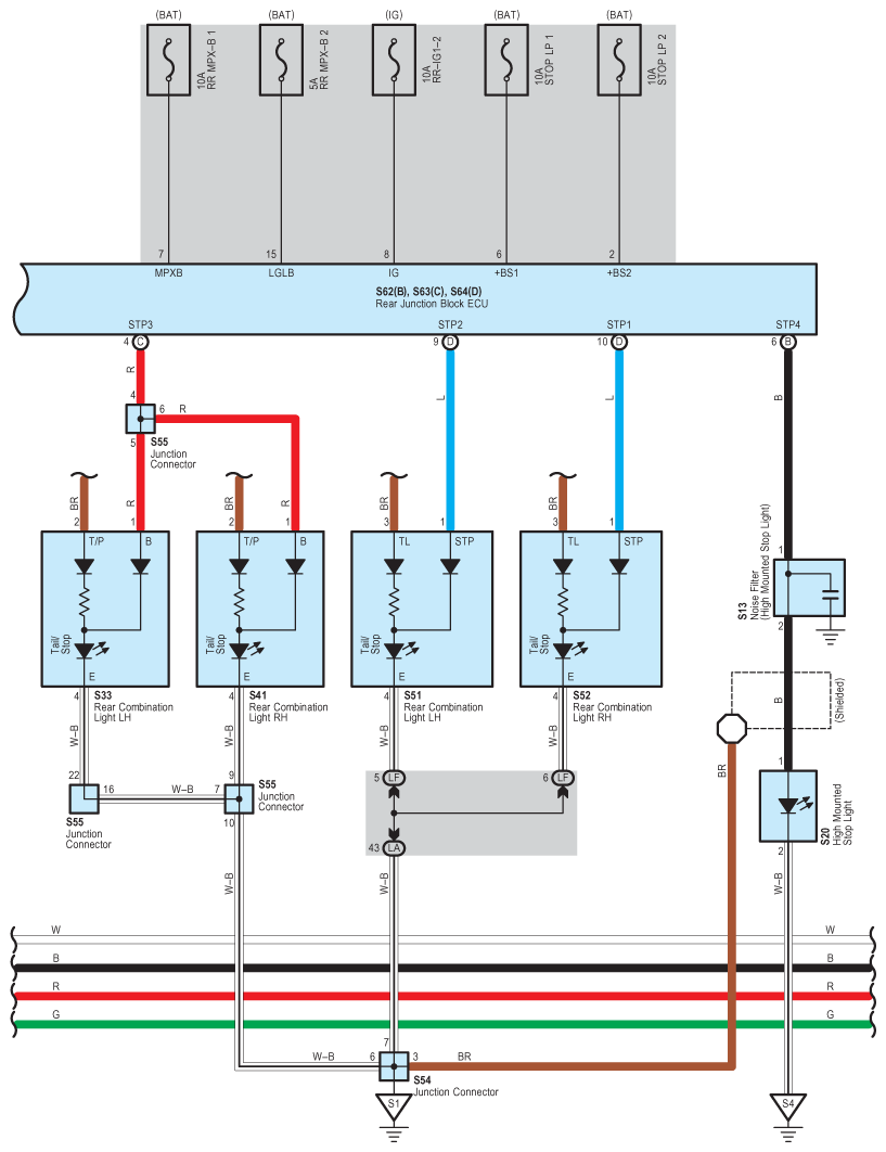
Fig 4: Brake Hold System Wiring Diagram (4 Of 10)
G08920734Courtesy of © TOYOTA, LICENSE AGREEMENT TMS1002
Fig 5: Brake Hold System Wiring Diagram (5 Of 10)
G08920735Courtesy of © TOYOTA, LICENSE AGREEMENT TMS1002
Fig 6: Brake Hold System Wiring Diagram (6 Of 10)
G08920736Courtesy of © TOYOTA, LICENSE AGREEMENT TMS1002
Fig 7: Brake Hold System Wiring Diagram (7 Of 10)
G08920737Courtesy of © TOYOTA, LICENSE AGREEMENT TMS1002
Fig 8: Brake Hold System Wiring Diagram (8 Of 10)
G08920738Courtesy of © TOYOTA, LICENSE AGREEMENT TMS1002
Fig 9: Brake Hold System Wiring Diagram (9 Of 10)
G08920739Courtesy of © TOYOTA, LICENSE AGREEMENT TMS1002
Fig 10: Brake Hold System Wiring Diagram (10 Of 10)
G08920740Courtesy of © TOYOTA, LICENSE AGREEMENT TMS1002