lemon-mirror:
Home >> Lexus >> 2007 >> LS 460 >> Repair and Diagnosis >> Electrical >> Body Electrical >> OEM System Circuits >> Combination Meter >> Notes

Combination Meter: Notes

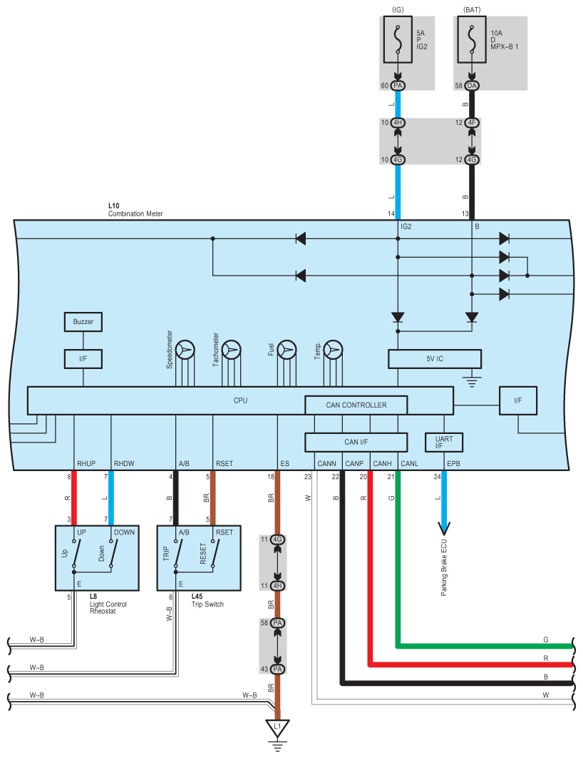
Fig 1: Combination Meter System Wiring Diagram (1 Of 10)
G08920941Courtesy of © TOYOTA, LICENSE AGREEMENT TMS1002
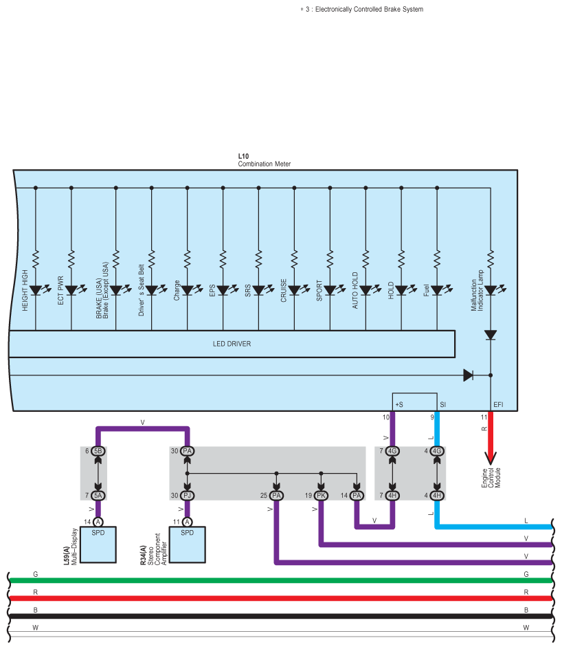
Fig 2: Combination Meter System Wiring Diagram (2 Of 10)
G08920942Courtesy of © TOYOTA, LICENSE AGREEMENT TMS1002
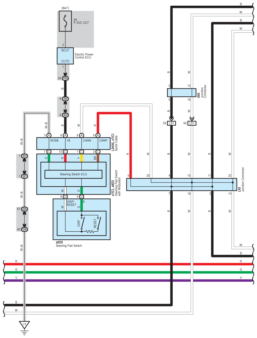
Fig 3: Combination Meter System Wiring Diagram (3 Of 10)
G08920943Courtesy of © TOYOTA, LICENSE AGREEMENT TMS1002
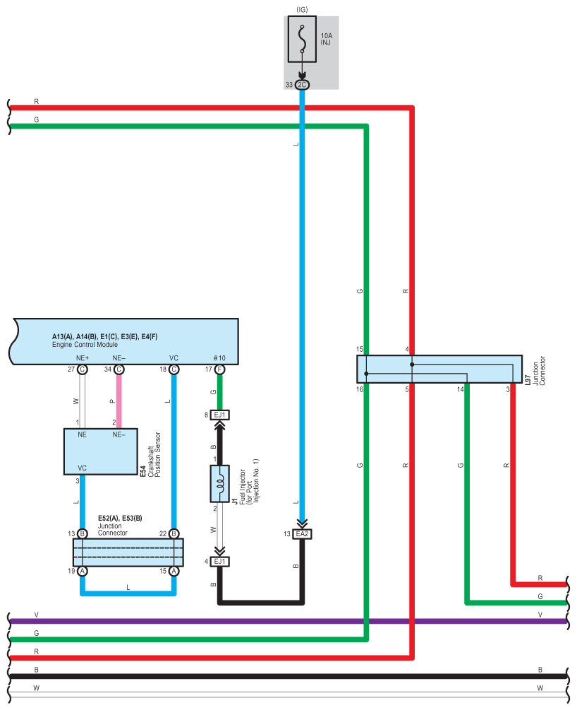
Fig 4: Combination Meter System Wiring Diagram (4 Of 10)
G08920944Courtesy of © TOYOTA, LICENSE AGREEMENT TMS1002
Fig 5: Combination Meter System Wiring Diagram (5 Of 10)
G08920945Courtesy of © TOYOTA, LICENSE AGREEMENT TMS1002
Fig 6: Combination Meter System Wiring Diagram (6 Of 10)
G08920946Courtesy of © TOYOTA, LICENSE AGREEMENT TMS1002
Fig 7: Combination Meter System Wiring Diagram (7 Of 10)
G08920947Courtesy of © TOYOTA, LICENSE AGREEMENT TMS1002
Fig 8: Combination Meter System Wiring Diagram (8 Of 10)
G08920948Courtesy of © TOYOTA, LICENSE AGREEMENT TMS1002
Fig 9: Combination Meter System Wiring Diagram (9 Of 10)
G08920949Courtesy of © TOYOTA, LICENSE AGREEMENT TMS1002
Fig 10: Combination Meter System Wiring Diagram (10 Of 10)
G08920950Courtesy of © TOYOTA, LICENSE AGREEMENT TMS1002