lemon-mirror:
Home >> Lexus >> 2007 >> LS 460 >> Repair and Diagnosis >> Electrical >> Body Electrical >> OEM System Circuits >> Headlight Cleaner >> Notes

Headlight Cleaner: Notes

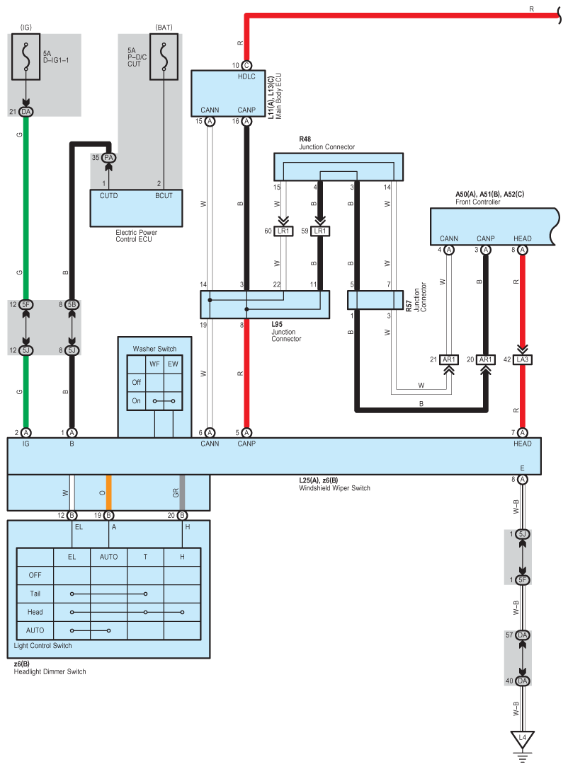
Fig 1: Headlight Cleaner System Wiring Diagram (1 Of 2)
G08920630Courtesy of © TOYOTA, LICENSE AGREEMENT TMS1002
Fig 2: Headlight Cleaner System Wiring Diagram (2 Of 2)
G08920631Courtesy of © TOYOTA, LICENSE AGREEMENT TMS1002