lemon-mirror:
Home >> Lexus >> 2007 >> LS 460 >> Repair and Diagnosis >> Electrical >> Body Electrical >> OEM System Circuits >> Vehicle Dynamic Integrated Management >> Notes

Vehicle Dynamic Integrated Management: Notes

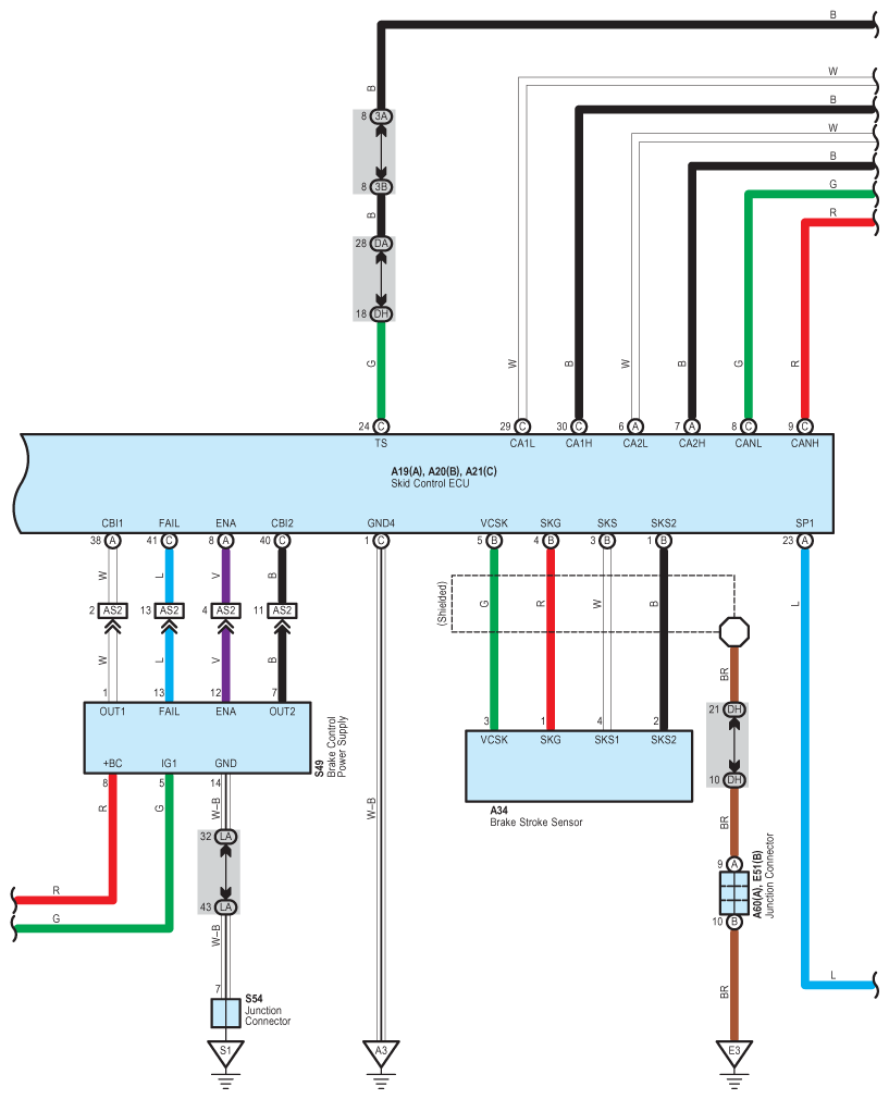
Fig 1: Vehicle Dynamic Integrated Management System Wiring Diagram (1 Of 14)
G08920717Courtesy of © TOYOTA, LICENSE AGREEMENT TMS1002
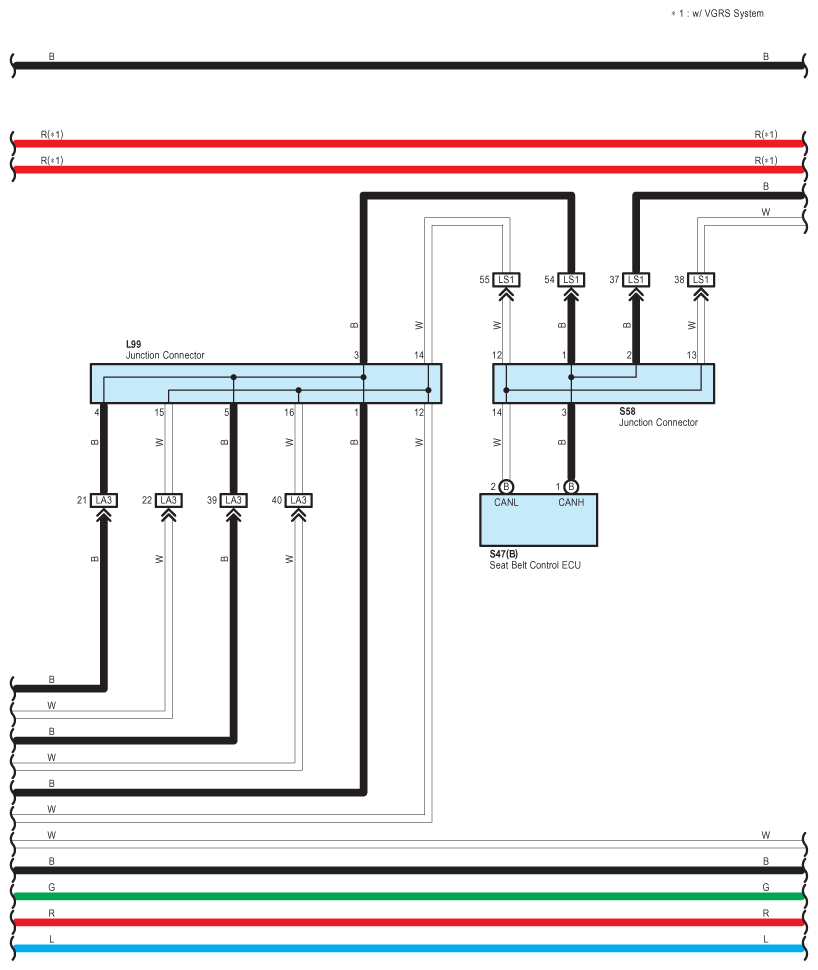
Fig 2: Vehicle Dynamic Integrated Management System Wiring Diagram (2 Of 14)
G08920718Courtesy of © TOYOTA, LICENSE AGREEMENT TMS1002
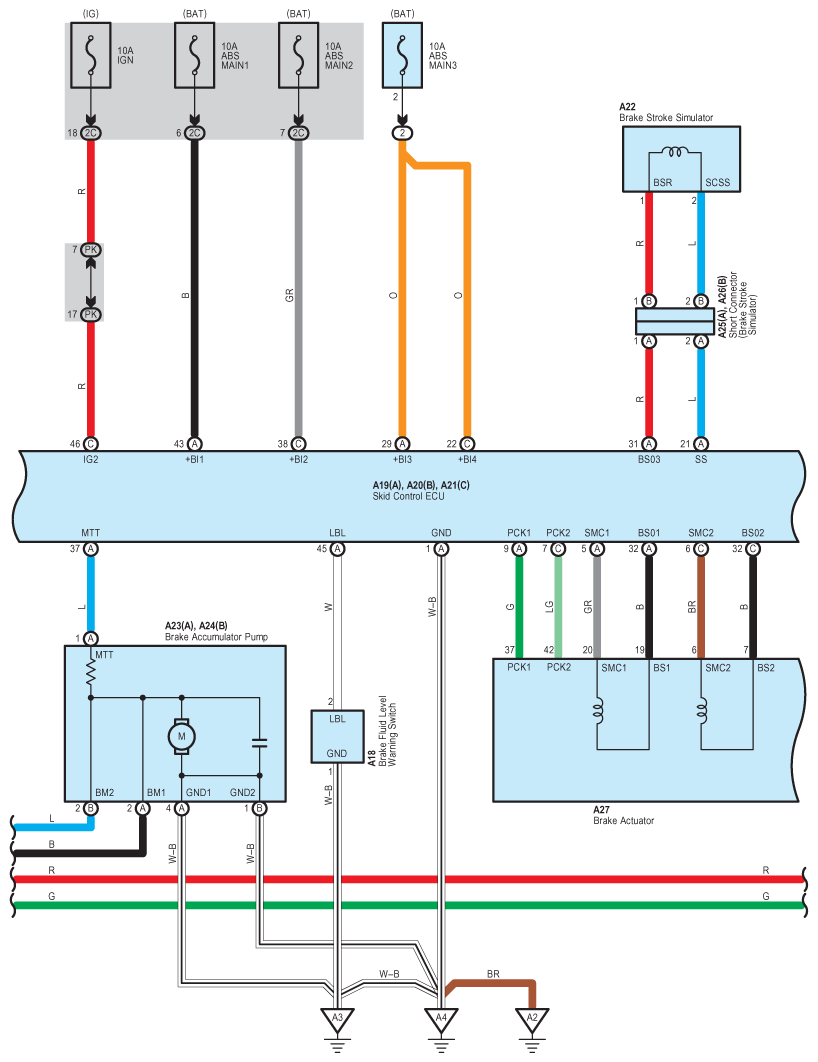
Fig 3: Vehicle Dynamic Integrated Management System Wiring Diagram (3 Of 14)
G08920719Courtesy of © TOYOTA, LICENSE AGREEMENT TMS1002
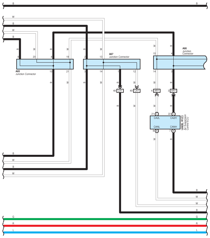
Fig 4: Vehicle Dynamic Integrated Management System Wiring Diagram (4 Of 14)
G08920720Courtesy of © TOYOTA, LICENSE AGREEMENT TMS1002
Fig 5: Vehicle Dynamic Integrated Management System Wiring Diagram (5 Of 14)
G08920721Courtesy of © TOYOTA, LICENSE AGREEMENT TMS1002
Fig 6: Vehicle Dynamic Integrated Management System Wiring Diagram (6 Of 14)
G08920722Courtesy of © TOYOTA, LICENSE AGREEMENT TMS1002
Fig 7: Vehicle Dynamic Integrated Management System Wiring Diagram (7 Of 14)
G08920723Courtesy of © TOYOTA, LICENSE AGREEMENT TMS1002
Fig 8: Vehicle Dynamic Integrated Management System Wiring Diagram (8 Of 14)
G08920724Courtesy of © TOYOTA, LICENSE AGREEMENT TMS1002
Fig 9: Vehicle Dynamic Integrated Management System Wiring Diagram (9 Of 14)
G08920725Courtesy of © TOYOTA, LICENSE AGREEMENT TMS1002
Fig 10: Vehicle Dynamic Integrated Management System Wiring Diagram (10 Of 14)
G08920726Courtesy of © TOYOTA, LICENSE AGREEMENT TMS1002
Fig 11: Vehicle Dynamic Integrated Management System Wiring Diagram (11 Of 14)
G08920727Courtesy of © TOYOTA, LICENSE AGREEMENT TMS1002
Fig 12: Vehicle Dynamic Integrated Management System Wiring Diagram (12 Of 14)
G08920728Courtesy of © TOYOTA, LICENSE AGREEMENT TMS1002
Fig 13: Vehicle Dynamic Integrated Management System Wiring Diagram (13 Of 14)
G08920729Courtesy of © TOYOTA, LICENSE AGREEMENT TMS1002
Fig 14: Vehicle Dynamic Integrated Management System Wiring Diagram (14 Of 14)
G08920730Courtesy of © TOYOTA, LICENSE AGREEMENT TMS1002