lemon-mirror:
Home >> Lexus >> 2007 >> LS 460L >> Repair and Diagnosis >> Electrical >> Body Electrical >> OEM Ground Points >> Ground Point >> Notes

Ground Point: Notes

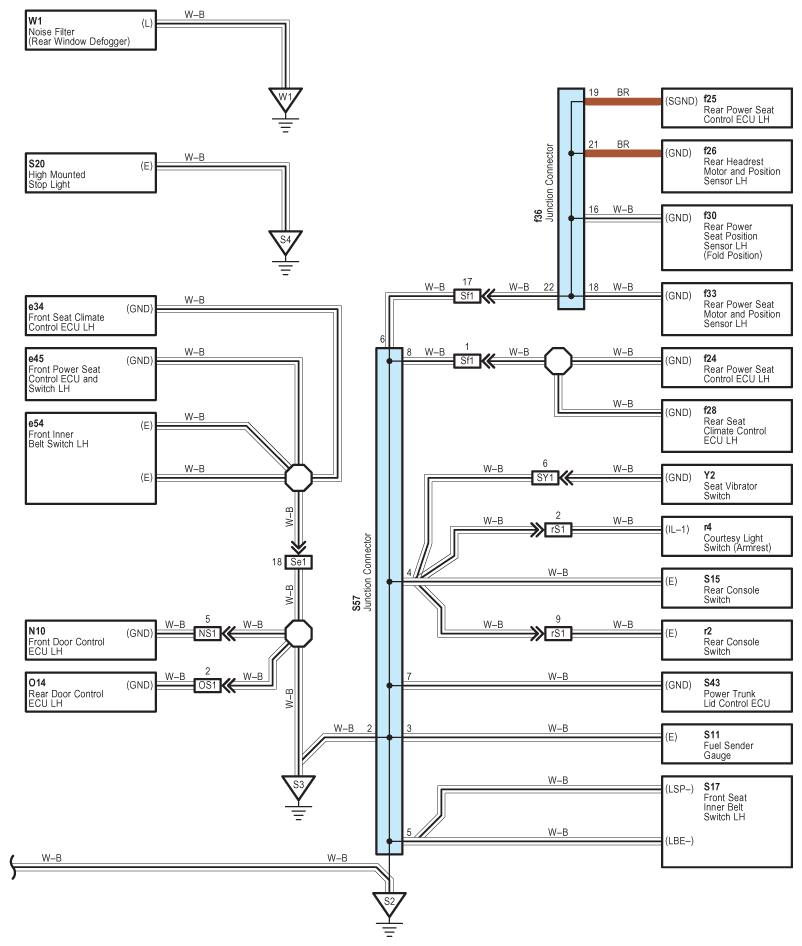
Fig 1: Ground Point Wiring Diagram (1 Of 7)
G08920968Courtesy of © TOYOTA, LICENSE AGREEMENT TMS1002
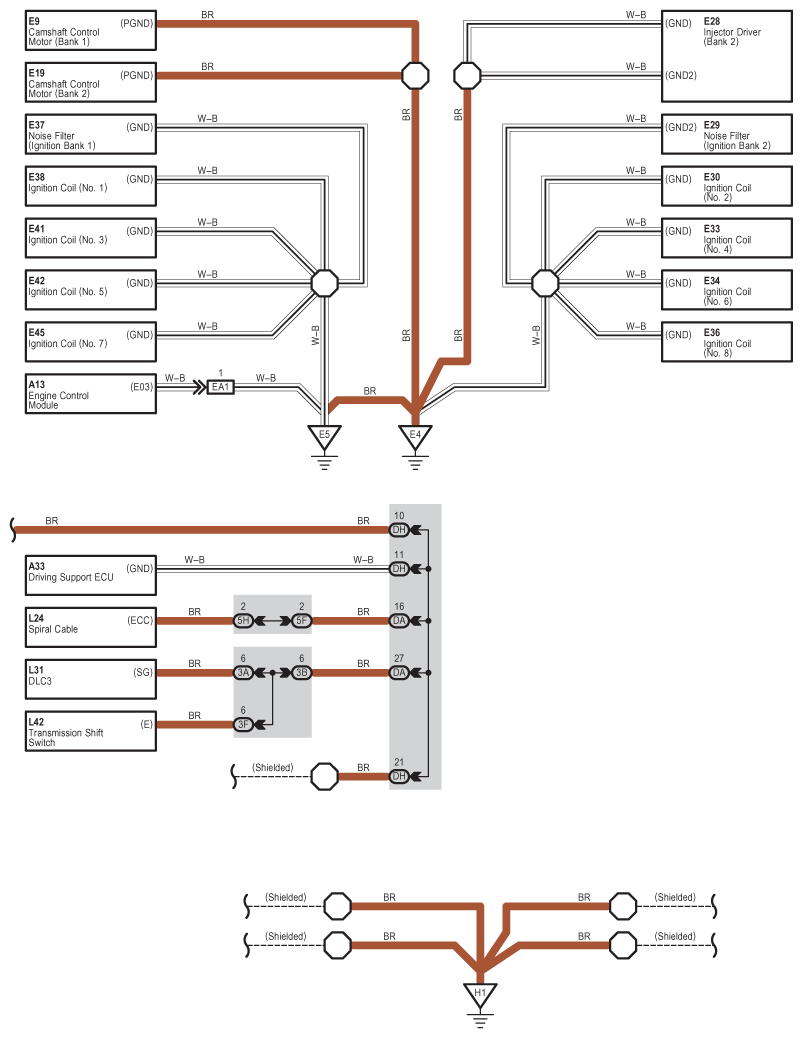
Fig 2: Ground Point Wiring Diagram (2 Of 10)
G08920969Courtesy of © TOYOTA, LICENSE AGREEMENT TMS1002
Fig 3: Ground Point Wiring Diagram (3 Of 10)
G08920970Courtesy of © TOYOTA, LICENSE AGREEMENT TMS1002
Fig 4: Ground Point Wiring Diagram (4 Of 10)
G08920971Courtesy of © TOYOTA, LICENSE AGREEMENT TMS1002
Fig 5: Ground Point Wiring Diagram (5 Of 10)
G08920972Courtesy of © TOYOTA, LICENSE AGREEMENT TMS1002
Fig 6: Ground Point Wiring Diagram (6 Of 10)
G08920973Courtesy of © TOYOTA, LICENSE AGREEMENT TMS1002
Fig 7: Ground Point Wiring Diagram (7 Of 10)
G08920974Courtesy of © TOYOTA, LICENSE AGREEMENT TMS1002
Fig 8: Ground Point Wiring Diagram (8 Of 10)
G08920975Courtesy of © TOYOTA, LICENSE AGREEMENT TMS1002
Fig 9: Ground Point Wiring Diagram (9 Of 10)
G08920976Courtesy of © TOYOTA, LICENSE AGREEMENT TMS1002
Fig 10: Ground Point Wiring Diagram (10 Of 10)
G08920977Courtesy of © TOYOTA, LICENSE AGREEMENT TMS1002