lemon-mirror:
Home >> Lexus >> 2007 >> LS 460L >> Repair and Diagnosis >> Electrical >> Body Electrical >> OEM System Circuits >> ECT and A/T Indicator >> Notes

ECT and A/T Indicator: Notes

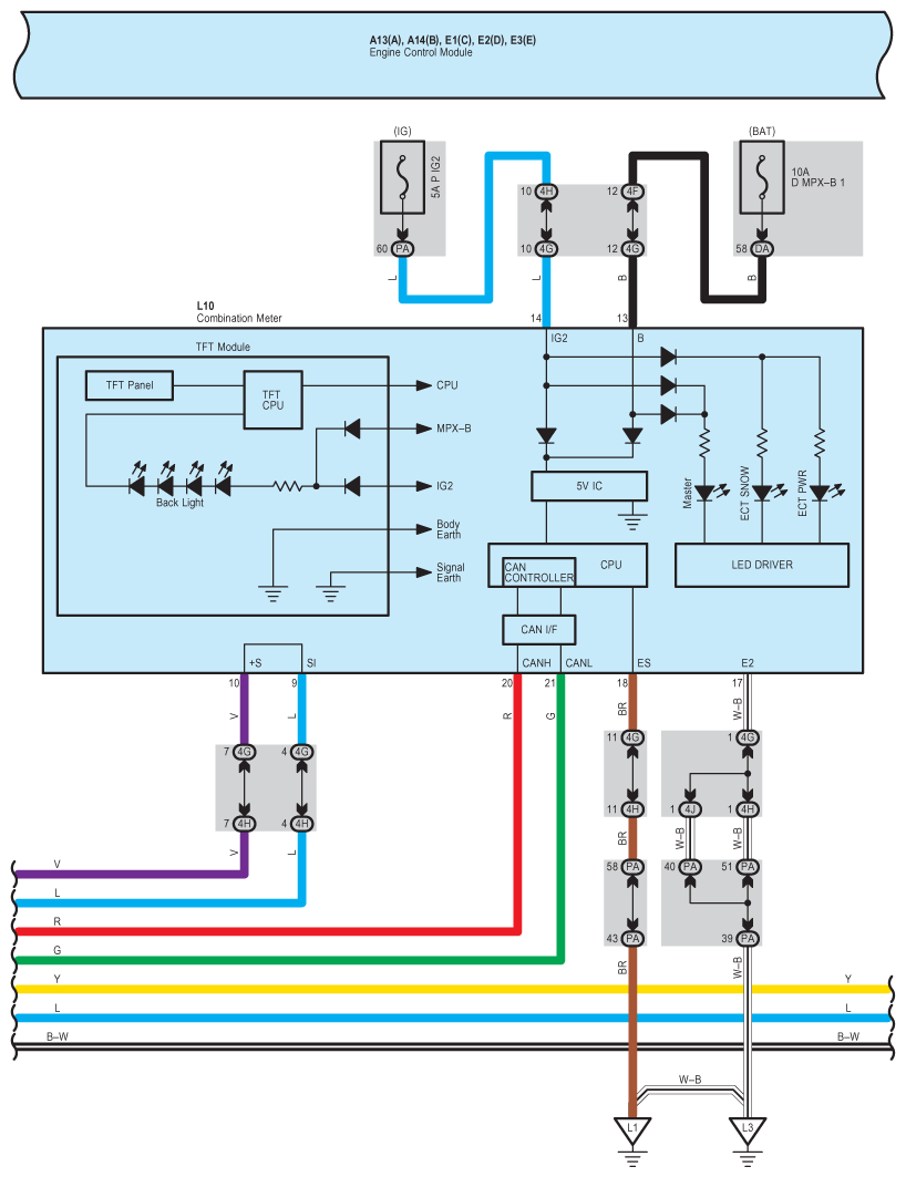
Fig 1: ECT And A/T Indicator System Wiring Diagram (1 Of 12)
G08920667Courtesy of © TOYOTA, LICENSE AGREEMENT TMS1002
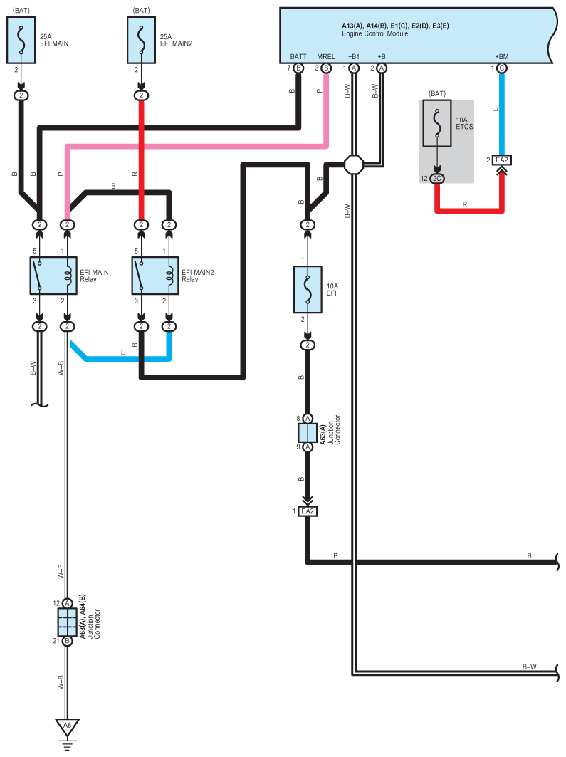
Fig 2: ECT And A/T Indicator System Wiring Diagram (2 Of 12)
G08920668Courtesy of © TOYOTA, LICENSE AGREEMENT TMS1002
Fig 3: ECT And A/T Indicator System Wiring Diagram (3 Of 12)
G08920669Courtesy of © TOYOTA, LICENSE AGREEMENT TMS1002
Fig 4: ECT And A/T Indicator System Wiring Diagram (4 Of 12)
G08920670Courtesy of © TOYOTA, LICENSE AGREEMENT TMS1002
Fig 5: ECT And A/T Indicator System Wiring Diagram (5 Of 12)
G08920671Courtesy of © TOYOTA, LICENSE AGREEMENT TMS1002
Fig 6: ECT And A/T Indicator System Wiring Diagram (6 Of 12)
G08920672Courtesy of © TOYOTA, LICENSE AGREEMENT TMS1002
Fig 7: ECT And A/T Indicator System Wiring Diagram (7 Of 12)
G08920673Courtesy of © TOYOTA, LICENSE AGREEMENT TMS1002
Fig 8: ECT And A/T Indicator System Wiring Diagram (8 Of 12)
G08920674Courtesy of © TOYOTA, LICENSE AGREEMENT TMS1002
Fig 9: ECT And A/T Indicator System Wiring Diagram (9 Of 12)
G08920675Courtesy of © TOYOTA, LICENSE AGREEMENT TMS1002
Fig 10: ECT And A/T Indicator System Wiring Diagram (10 Of 12)
G08920676Courtesy of © TOYOTA, LICENSE AGREEMENT TMS1002
Fig 11: ECT And A/T Indicator System Wiring Diagram (11 Of 12)
G08920677Courtesy of © TOYOTA, LICENSE AGREEMENT TMS1002
Fig 12: ECT And A/T Indicator System Wiring Diagram (12 Of 12)
G08920678Courtesy of © TOYOTA, LICENSE AGREEMENT TMS1002