lemon-mirror:
Home >> Lexus >> 2007 >> LS 460L >> Repair and Diagnosis >> Electrical >> Body Electrical >> OEM System Circuits >> Fog Light >> Notes

Fog Light: Notes

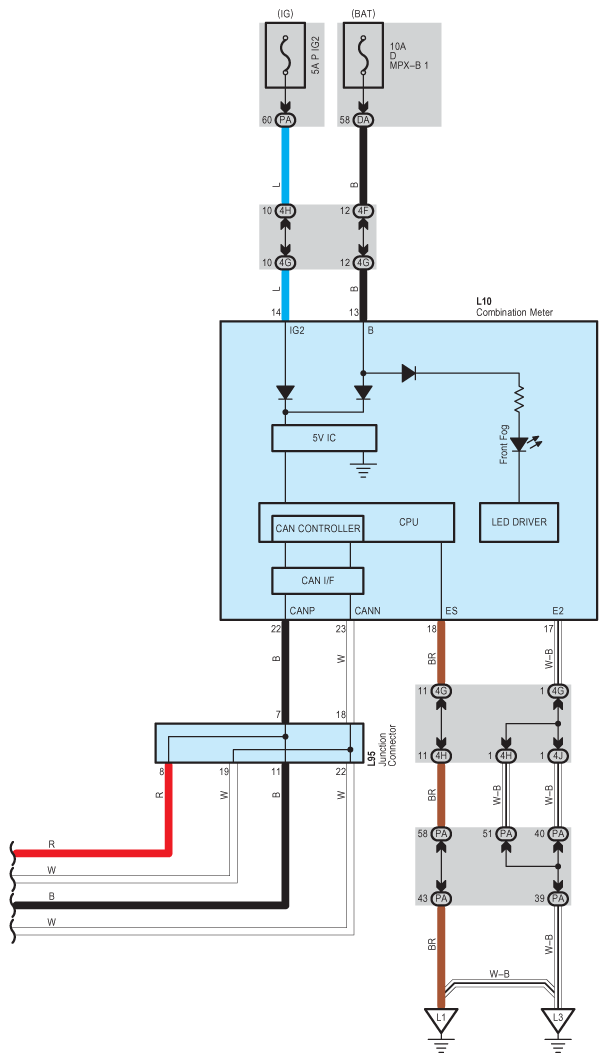
Fig 1: Fog Light System Wiring Diagram (1 Of 3)
G08920616Courtesy of © TOYOTA, LICENSE AGREEMENT TMS1002
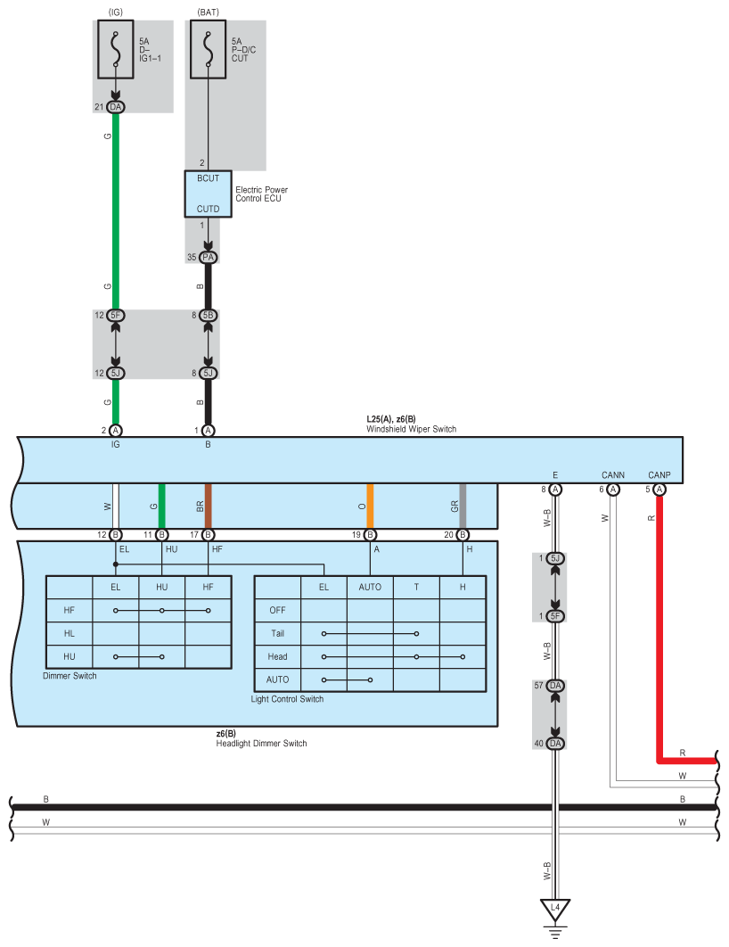
Fig 2: Fog Light System Wiring Diagram (2 Of 3)
G08920617Courtesy of © TOYOTA, LICENSE AGREEMENT TMS1002
Fig 3: Fog Light System Wiring Diagram (3 Of 3)
G08920618Courtesy of © TOYOTA, LICENSE AGREEMENT TMS1002