lemon-mirror:
Home >> Lexus >> 2007 >> LS 460L >> Repair and Diagnosis >> Electrical >> Body Electrical >> OEM System Circuits >> Power Outlet - 115V >> Notes

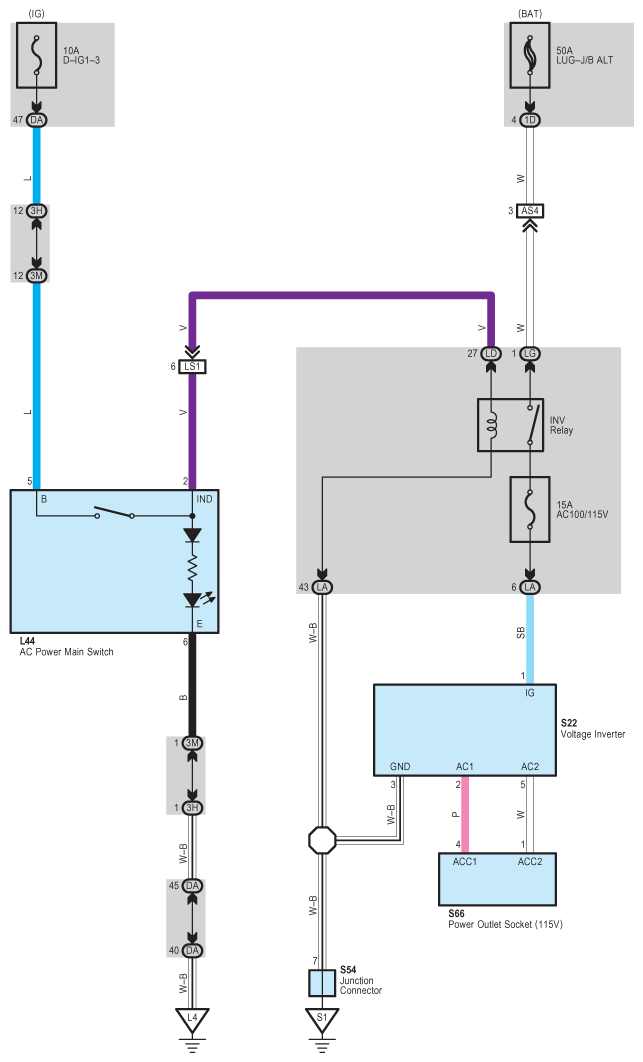
Power Outlet - 115V: Notes

Fig 1: Power Outlet - 115V System Wiring Diagram
G08920844Courtesy of © TOYOTA, LICENSE AGREEMENT TMS1002