lemon-mirror:
Home >> Lexus >> 2007 >> LS 460L >> Repair and Diagnosis >> Electrical >> Body Electrical >> OEM System Circuits >> Rear Door Sunshade >> Notes

Rear Door Sunshade: Notes

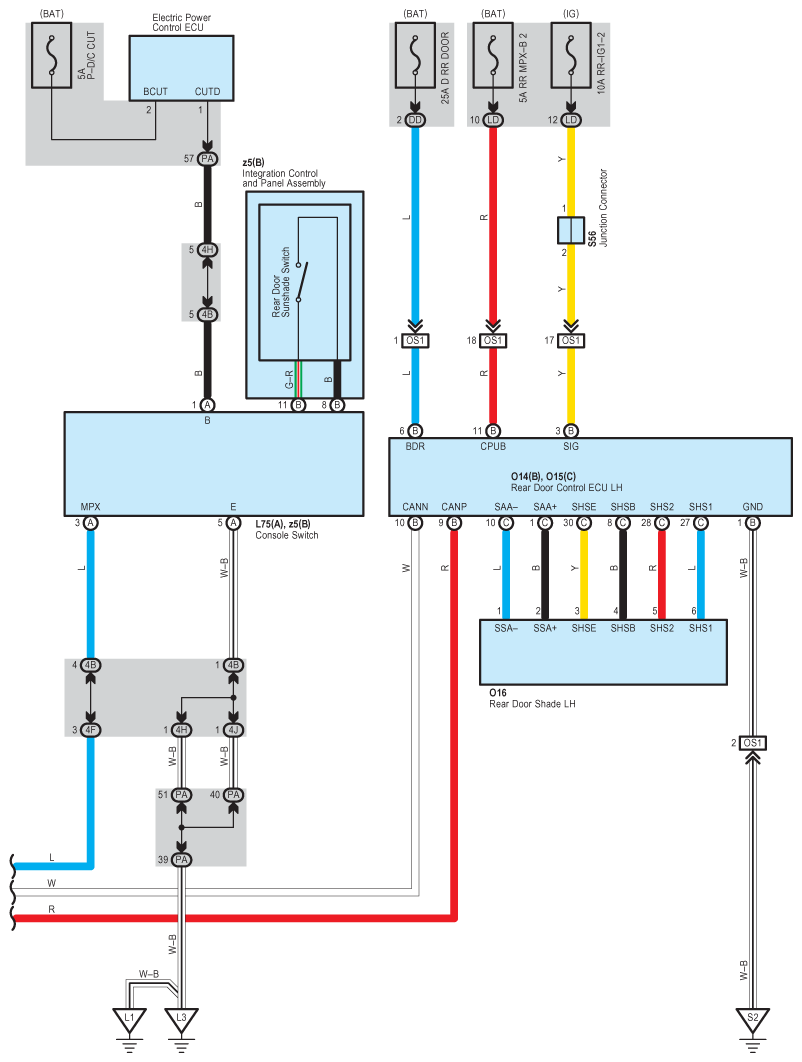
Fig 1: Rear Door Sunshade System Wiring Diagram (1 Of 3)
G08920788Courtesy of © TOYOTA, LICENSE AGREEMENT TMS1002
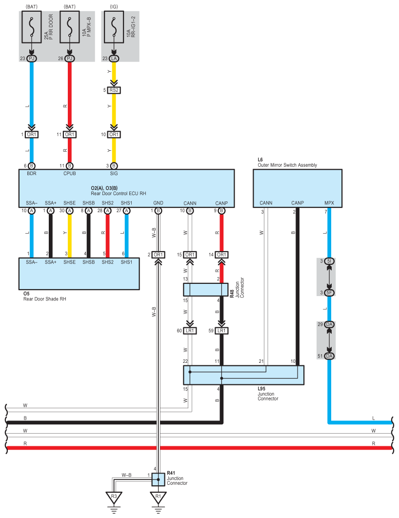
Fig 2: Rear Door Sunshade System Wiring Diagram (2 Of 3)
G08920789Courtesy of © TOYOTA, LICENSE AGREEMENT TMS1002
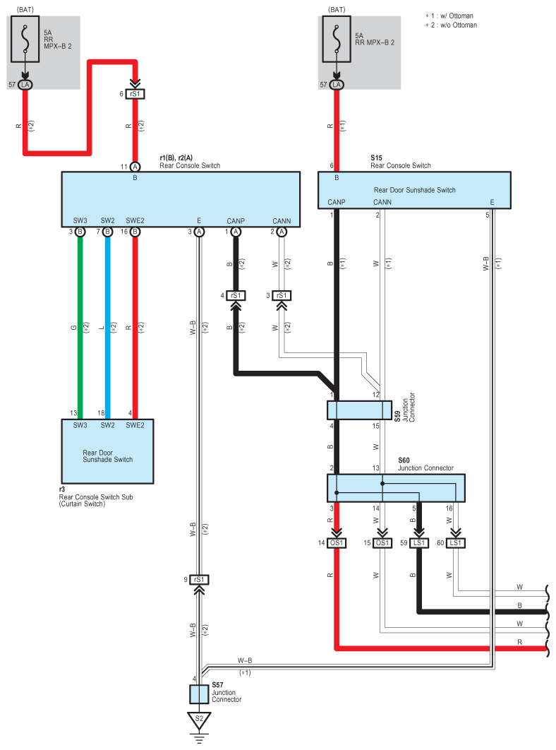
Fig 3: Rear Door Sunshade System Wiring Diagram (3 Of 3)
G08920790Courtesy of © TOYOTA, LICENSE AGREEMENT TMS1002