lemon-mirror:
Home >> Lexus >> 2007 >> LS 460L >> Repair and Diagnosis >> Electrical >> Body Electrical >> OEM System Circuits >> Rear Sunshade >> Notes

Rear Sunshade: Notes

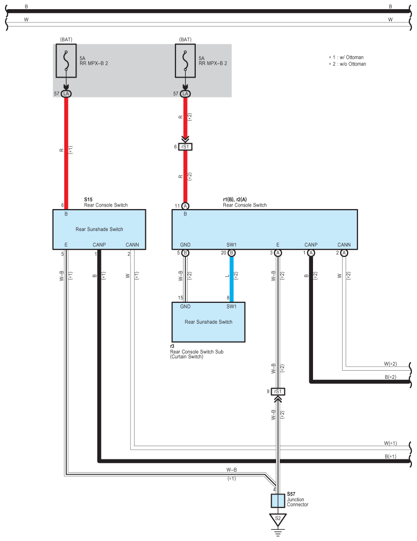
Fig 1: Rear Sunshade System Wiring Diagram (1 Of 4)
G08920784Courtesy of © TOYOTA, LICENSE AGREEMENT TMS1002
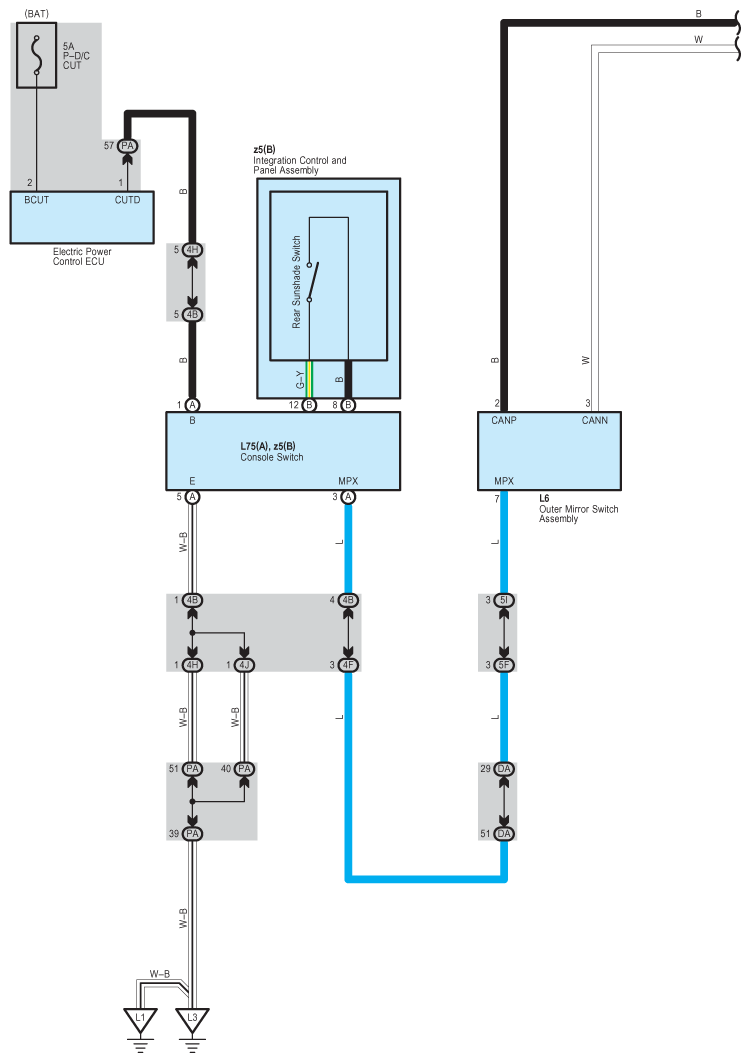
Fig 2: Rear Sunshade System Wiring Diagram (2 Of 4)
G08920785Courtesy of © TOYOTA, LICENSE AGREEMENT TMS1002
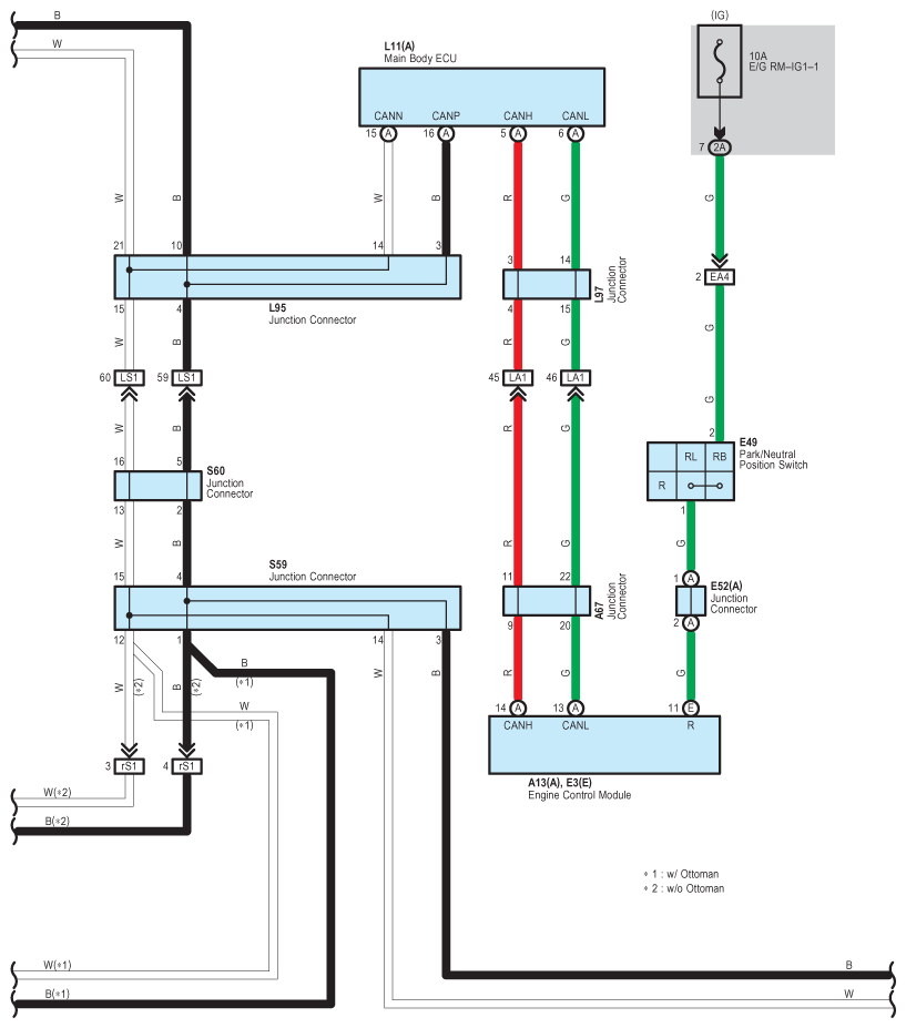
Fig 3: Rear Sunshade System Wiring Diagram (3 Of 4)
G08920786Courtesy of © TOYOTA, LICENSE AGREEMENT TMS1002
Fig 4: Rear Sunshade System Wiring Diagram (4 Of 4)
G08920787Courtesy of © TOYOTA, LICENSE AGREEMENT TMS1002