lemon-mirror:
Home >> Lexus >> 2007 >> LS 460L >> Repair and Diagnosis >> Electrical >> Body Electrical >> OEM System Circuits >> Smart Access System with Push-Button Start >> Notes

Smart Access System with Push-Button Start: Notes

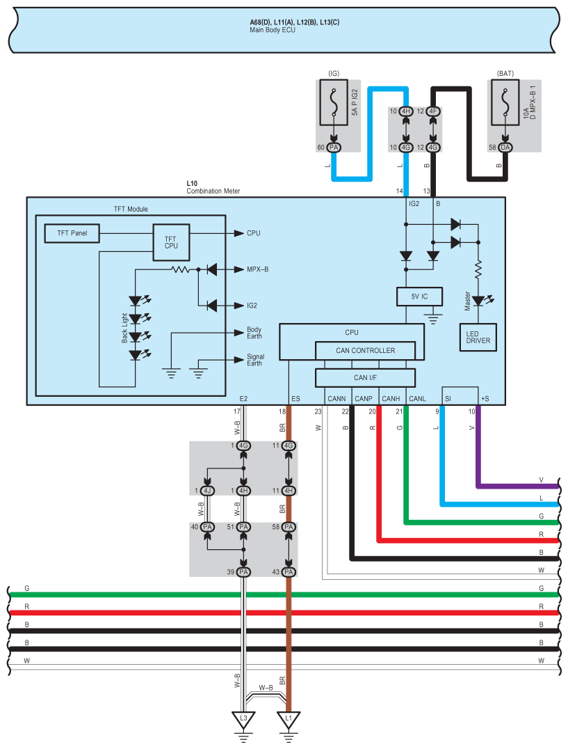
Fig 1: Smart Access System With Push-Button Start System Wiring Diagram (1 Of 25)
G08920504Courtesy of © TOYOTA, LICENSE AGREEMENT TMS1002
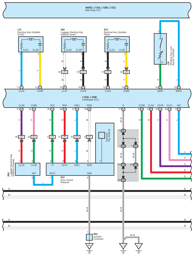
Fig 2: Smart Access System With Push-Button Start System Wiring Diagram (2 Of 25)
G08920505Courtesy of © TOYOTA, LICENSE AGREEMENT TMS1002
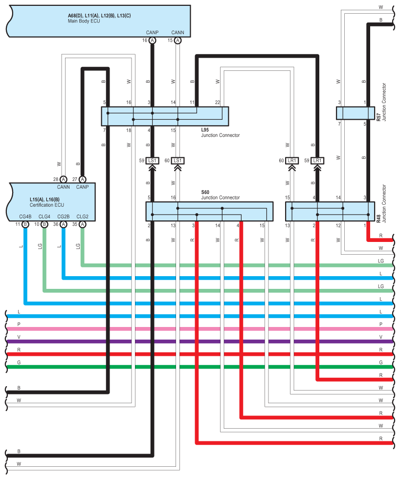
Fig 3: Smart Access System With Push-Button Start System Wiring Diagram (3 Of 25)
G08920506Courtesy of © TOYOTA, LICENSE AGREEMENT TMS1002
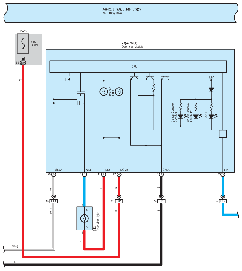
Fig 4: Smart Access System With Push-Button Start System Wiring Diagram (4 Of 25)
G08920507Courtesy of © TOYOTA, LICENSE AGREEMENT TMS1002
Fig 5: Smart Access System With Push-Button Start System Wiring Diagram (5 Of 25)
G08920508Courtesy of © TOYOTA, LICENSE AGREEMENT TMS1002
Fig 6: Smart Access System With Push-Button Start System Wiring Diagram (6 Of 25)
G08920509Courtesy of © TOYOTA, LICENSE AGREEMENT TMS1002
Fig 7: Smart Access System With Push-Button Start System Wiring Diagram (7 Of 25)
G08920510Courtesy of © TOYOTA, LICENSE AGREEMENT TMS1002
Fig 8: Smart Access System With Push-Button Start System Wiring Diagram (8 Of 25)
G08920511Courtesy of © TOYOTA, LICENSE AGREEMENT TMS1002
Fig 9: Smart Access System With Push-Button Start System Wiring Diagram (9 Of 25)
G08920512Courtesy of © TOYOTA, LICENSE AGREEMENT TMS1002
Fig 10: Smart Access System With Push-Button Start System Wiring Diagram (10 Of 25)
G08920513Courtesy of © TOYOTA, LICENSE AGREEMENT TMS1002
Fig 11: Smart Access System With Push-Button Start System Wiring Diagram (11 Of 25)
G08920514Courtesy of © TOYOTA, LICENSE AGREEMENT TMS1002
Fig 12: Smart Access System With Push-Button Start System Wiring Diagram (12 Of 25)
G08920515Courtesy of © TOYOTA, LICENSE AGREEMENT TMS1002
Fig 13: Smart Access System With Push-Button Start System Wiring Diagram (13 Of 25)
G08920516Courtesy of © TOYOTA, LICENSE AGREEMENT TMS1002
Fig 14: Smart Access System With Push-Button Start System Wiring Diagram (14 Of 25)
G08920517Courtesy of © TOYOTA, LICENSE AGREEMENT TMS1002
Fig 15: Smart Access System With Push-Button Start System Wiring Diagram (15 Of 25)
G08920518Courtesy of © TOYOTA, LICENSE AGREEMENT TMS1002
Fig 16: Smart Access System With Push-Button Start System Wiring Diagram (16 Of 25)
G08920519Courtesy of © TOYOTA, LICENSE AGREEMENT TMS1002
Fig 17: Smart Access System With Push-Button Start System Wiring Diagram (17 Of 25)
G08920520Courtesy of © TOYOTA, LICENSE AGREEMENT TMS1002
Fig 18: Smart Access System With Push-Button Start System Wiring Diagram (18 Of 25)
G08920521Courtesy of © TOYOTA, LICENSE AGREEMENT TMS1002
Fig 19: Smart Access System With Push-Button Start System Wiring Diagram (19 Of 25)
G08920522Courtesy of © TOYOTA, LICENSE AGREEMENT TMS1002
Fig 20: Smart Access System With Push-Button Start System Wiring Diagram (20 Of 25)
G08920523Courtesy of © TOYOTA, LICENSE AGREEMENT TMS1002
Fig 21: Smart Access System With Push-Button Start System Wiring Diagram (21 Of 25)
G08920524Courtesy of © TOYOTA, LICENSE AGREEMENT TMS1002
Fig 22: Smart Access System With Push-Button Start System Wiring Diagram (22 Of 25)
G08920525Courtesy of © TOYOTA, LICENSE AGREEMENT TMS1002
Fig 23: Smart Access System With Push-Button Start System Wiring Diagram (23 Of 25)
G08920526Courtesy of © TOYOTA, LICENSE AGREEMENT TMS1002
Fig 24: Smart Access System With Push-Button Start System Wiring Diagram (24 Of 25)
G08920527Courtesy of © TOYOTA, LICENSE AGREEMENT TMS1002
Fig 25: Smart Access System With Push-Button Start System Wiring Diagram (25 Of 25)
G08920528Courtesy of © TOYOTA, LICENSE AGREEMENT TMS1002