lemon-mirror:
Home >> Lexus >> 2007 >> LS 460L >> Repair and Diagnosis >> Electrical >> Body Electrical >> OEM System Circuits >> VGRS System >> Notes

VGRS System: Notes

Fig 1: VGRS System Wiring Diagram (1 Of 5)
G08920746Courtesy of © TOYOTA, LICENSE AGREEMENT TMS1002
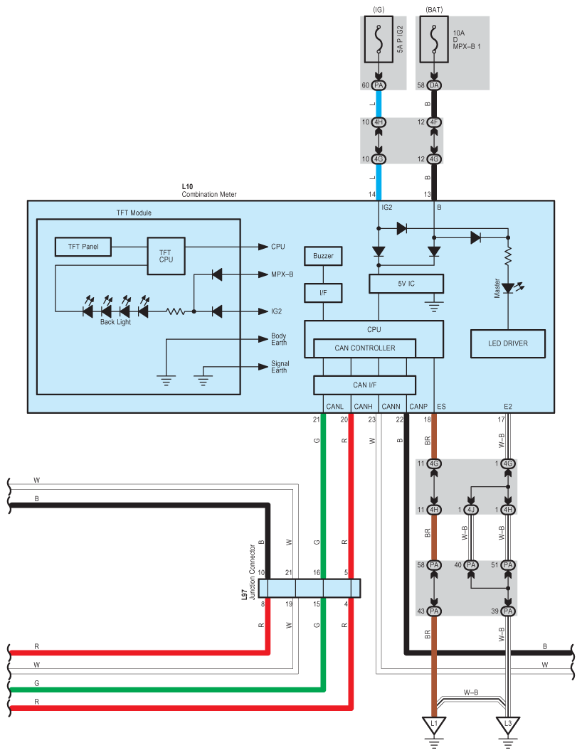
Fig 2: VGRS System Wiring Diagram (2 Of 5)
G08920747Courtesy of © TOYOTA, LICENSE AGREEMENT TMS1002
Fig 3: VGRS System Wiring Diagram (3 Of 5)
G08920748Courtesy of © TOYOTA, LICENSE AGREEMENT TMS1002
Fig 4: VGRS System Wiring Diagram (4 Of 5)
G08920749Courtesy of © TOYOTA, LICENSE AGREEMENT TMS1002
Fig 5: VGRS System Wiring Diagram (5 Of 5)
G08920750Courtesy of © TOYOTA, LICENSE AGREEMENT TMS1002