lemon-mirror:
Home >> Lexus >> 2007 >> LS 460L >> Repair and Diagnosis >> Electrical >> Body Electrical >> OEM System Circuits >> Wiper and Washer >> Notes

Wiper and Washer: Notes

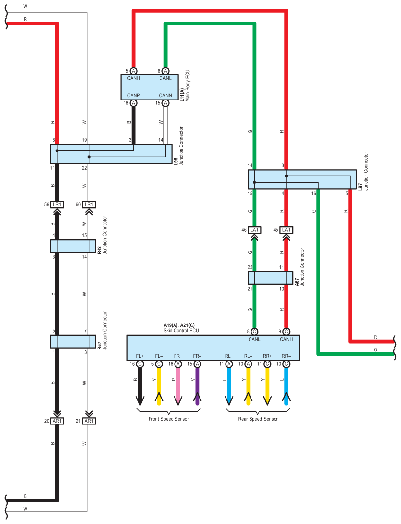
Fig 1: Wiper And Washer System Wiring Diagram (1 Of 5)
G08920632Courtesy of © TOYOTA, LICENSE AGREEMENT TMS1002
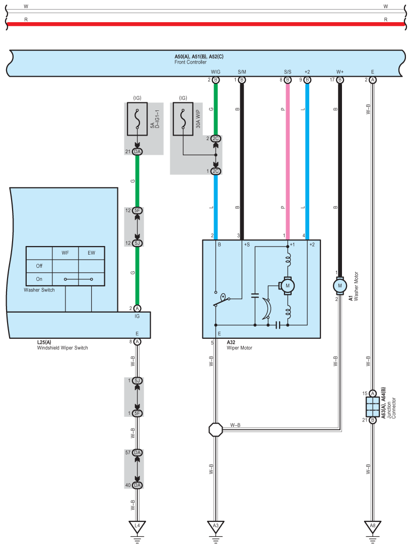
Fig 2: Wiper And Washer System Wiring Diagram (2 Of 5)
G08920633Courtesy of © TOYOTA, LICENSE AGREEMENT TMS1002
Fig 3: Wiper And Washer System Wiring Diagram (3 Of 5)
G08920634Courtesy of © TOYOTA, LICENSE AGREEMENT TMS1002
Fig 4: Wiper And Washer System Wiring Diagram (4 Of 5)
G08920635Courtesy of © TOYOTA, LICENSE AGREEMENT TMS1002
Fig 5: Wiper And Washer System Wiring Diagram (5 Of 5)
G08920636Courtesy of © TOYOTA, LICENSE AGREEMENT TMS1002