lemon-mirror:
Home >> Lexus >> 2007 >> LX 470 >> Repair and Diagnosis >> Electrical >> Body Electrical >> OEM System Circuits >> Air Conditioning (Front) >> Notes

Air Conditioning (Front): Notes

Fig 1: Air Conditioning (Front) - Wiring Diagram (1 Of 6)
G08922913Courtesy of © TOYOTA, LICENSE AGREEMENT TMS1002
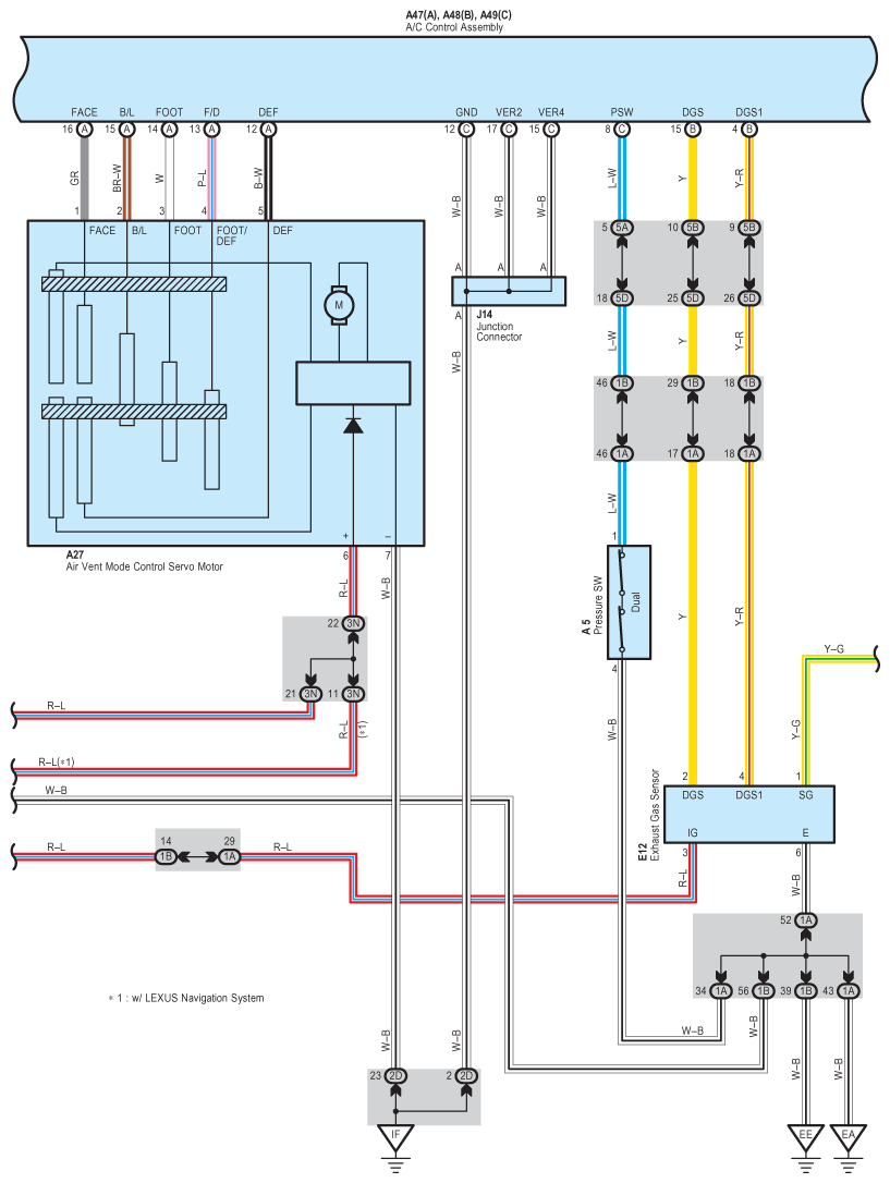
Fig 2: Air Conditioning (Front) - Wiring Diagram (2 Of 6)
G08922914Courtesy of © TOYOTA, LICENSE AGREEMENT TMS1002
Fig 3: Air Conditioning (Front) - Wiring Diagram (3 Of 6)
G08922915Courtesy of © TOYOTA, LICENSE AGREEMENT TMS1002
Fig 4: Air Conditioning (Front) - Wiring Diagram (4 Of 6)
G08922916Courtesy of © TOYOTA, LICENSE AGREEMENT TMS1002
Fig 5: Air Conditioning (Front) - Wiring Diagram (5 Of 6)
G08922917Courtesy of © TOYOTA, LICENSE AGREEMENT TMS1002
Fig 6: Air Conditioning (Front) - Wiring Diagram (6 Of 6)
G08922918Courtesy of © TOYOTA, LICENSE AGREEMENT TMS1002