lemon-mirror:
Home >> Lexus >> 2007 >> LX 470 >> Repair and Diagnosis >> Electrical >> Body Electrical >> OEM System Circuits >> Center Differential Lock >> Notes

Center Differential Lock: Notes

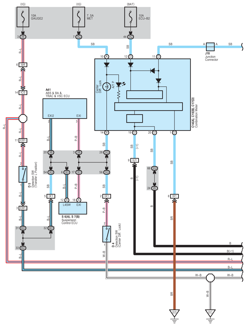
Fig 1: Center Differential Lock - Wiring Diagram (1 Of 3)
G08922833Courtesy of © TOYOTA, LICENSE AGREEMENT TMS1002
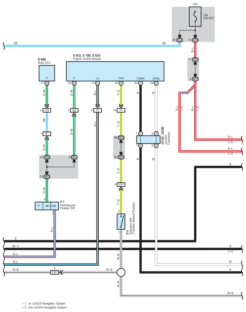
Fig 2: Center Differential Lock - Wiring Diagram (2 Of 3)
G08922834Courtesy of © TOYOTA, LICENSE AGREEMENT TMS1002
Fig 3: Center Differential Lock - Wiring Diagram (3 Of 3)
G08922835Courtesy of © TOYOTA, LICENSE AGREEMENT TMS1002