lemon-mirror:
Home >> Lexus >> 2007 >> LX 470 >> Repair and Diagnosis >> Electrical >> Body Electrical >> OEM System Circuits >> Charging >> Notes

OEM System Circuits: Charging: Notes

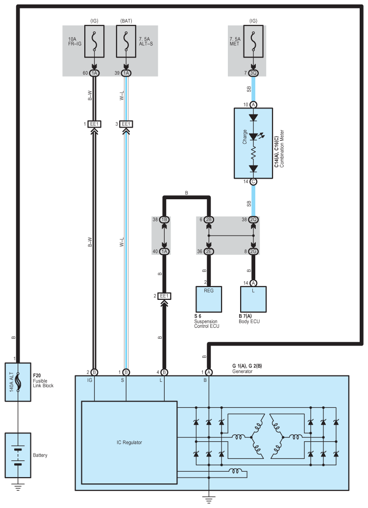
Fig 1: Charging - Circuit Diagram
G08922711Courtesy of © TOYOTA, LICENSE AGREEMENT TMS1002