lemon-mirror:
Home >> Lexus >> 2007 >> LX 470 >> Repair and Diagnosis >> Electrical >> Body Electrical >> OEM System Circuits >> Illumination >> Notes

OEM System Circuits: Illumination: Notes

Fig 1: Illumination - Wiring Diagram (1 Of 4)
G08922735Courtesy of © TOYOTA, LICENSE AGREEMENT TMS1002
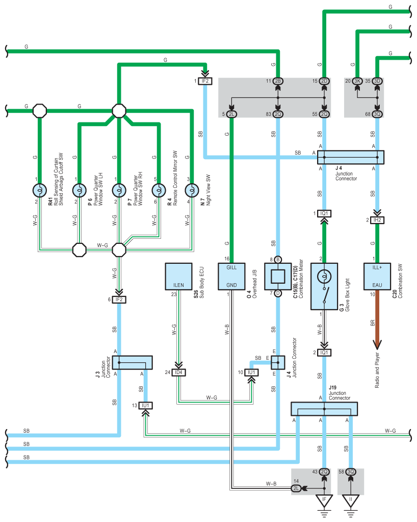
Fig 2: Illumination - Wiring Diagram (2 Of 4)
G08922736Courtesy of © TOYOTA, LICENSE AGREEMENT TMS1002
Fig 3: Illumination - Wiring Diagram (3 Of 4)
G08922737Courtesy of © TOYOTA, LICENSE AGREEMENT TMS1002
Fig 4: Illumination - Wiring Diagram (4 Of 4)
G08922738Courtesy of © TOYOTA, LICENSE AGREEMENT TMS1002