lemon-mirror:
Home >> Lexus >> 2007 >> LX 470 >> Repair and Diagnosis >> Electrical >> Body Electrical >> OEM System Circuits >> Seat Heater >> Notes

Seat Heater: Notes

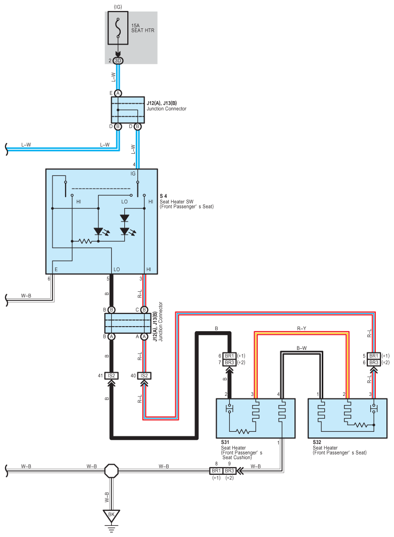
Fig 1: Seat Heater - Wiring Diagram (1 Of 2)
G08922872Courtesy of © TOYOTA, LICENSE AGREEMENT TMS1002
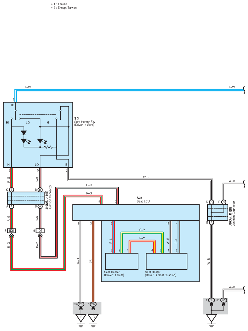
Fig 2: Seat Heater - Wiring Diagram (2 Of 2)
G08922873Courtesy of © TOYOTA, LICENSE AGREEMENT TMS1002