lemon-mirror:
Home >> Lexus >> 2007 >> LX 470 >> Repair and Diagnosis >> Electrical >> Body Electrical >> OEM System Circuits >> Shift Lock >> Notes

Shift Lock: Notes

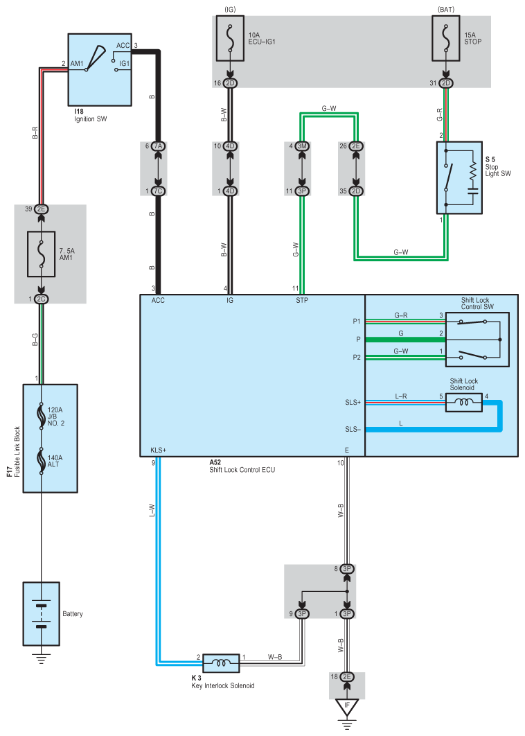
Fig 1: Shift Lock - Circuit Diagram
G08922832Courtesy of © TOYOTA, LICENSE AGREEMENT TMS1002