lemon-mirror:
Home >> Lexus >> 2007 >> LX 470 >> Repair and Diagnosis >> Electrical >> Body Electrical >> OEM System Circuits >> VGRS System >> Notes

VGRS System: Notes

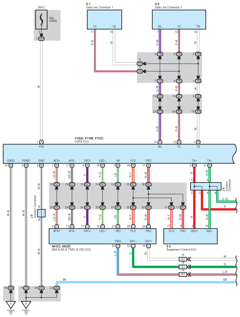
Fig 1: VGRS System - Wiring Diagram (1 Of 2)
G08922814Courtesy of © TOYOTA, LICENSE AGREEMENT TMS1002
Fig 2: VGRS System - Wiring Diagram (2 Of 2)
G08922815Courtesy of © TOYOTA, LICENSE AGREEMENT TMS1002