lemon-mirror:
Home >> Lexus >> 2007 >> LX 470 >> Repair and Diagnosis >> Engine Performance >> Engine Control System (2UZ-FE) >> SFI System >> EVAP System >> Wiring Diagram

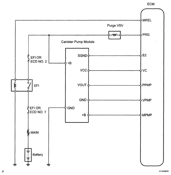
EVAP System: Wiring Diagram

Fig 1: Canister Pump Module - Wiring Diagram
G05196728Courtesy of © TOYOTA, LICENSE AGREEMENT TMS1002