lemon-mirror:
Home >> Lexus >> 2007 >> RX 350 AWD >> Repair and Diagnosis >> Electrical >> Body Electrical >> OEM System Circuits >> Adaptive Front-Lighting System >> Notes

Adaptive Front-Lighting System: Notes

Fig 1: Adaptive Front-Lighting System - Wiring Diagram (1 Of 4)
G08922000Courtesy of © TOYOTA, LICENSE AGREEMENT TMS1002
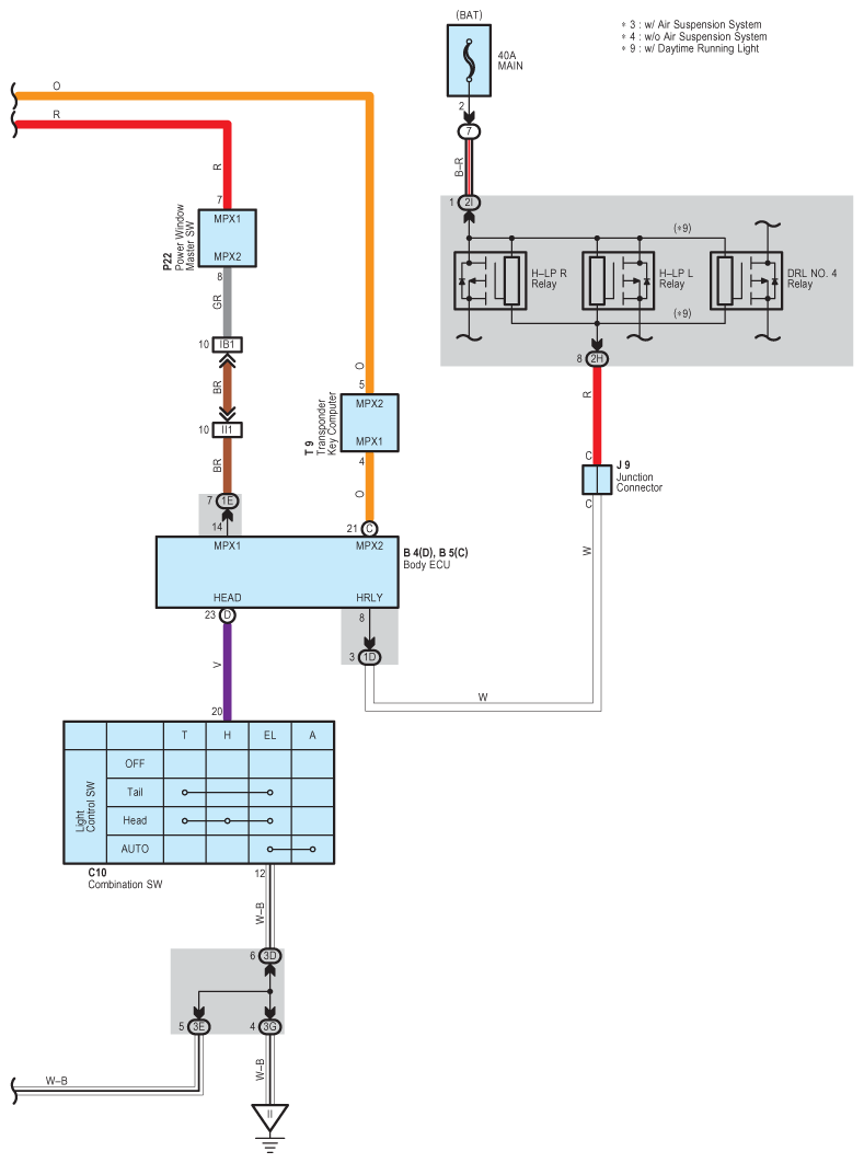
Fig 2: Adaptive Front-Lighting System - Wiring Diagram (2 Of 4)
G08922001Courtesy of © TOYOTA, LICENSE AGREEMENT TMS1002
Fig 3: Adaptive Front-Lighting System - Wiring Diagram (3 Of 4)
G08922002Courtesy of © TOYOTA, LICENSE AGREEMENT TMS1002
Fig 4: Adaptive Front-Lighting System - Wiring Diagram (4 Of 4)
G08922003Courtesy of © TOYOTA, LICENSE AGREEMENT TMS1002