lemon-mirror:
Home >> Lexus >> 2007 >> RX 350 AWD >> Repair and Diagnosis >> Electrical >> Body Electrical >> OEM System Circuits >> Automatic Air Conditioning >> Notes

Automatic Air Conditioning: Notes

Fig 1: Automatic Air Conditioning - Wiring Diagram (1 Of 4)
G08922102Courtesy of © TOYOTA, LICENSE AGREEMENT TMS1002
Fig 2: Automatic Air Conditioning - Wiring Diagram (2 Of 4)
G08922103Courtesy of © TOYOTA, LICENSE AGREEMENT TMS1002
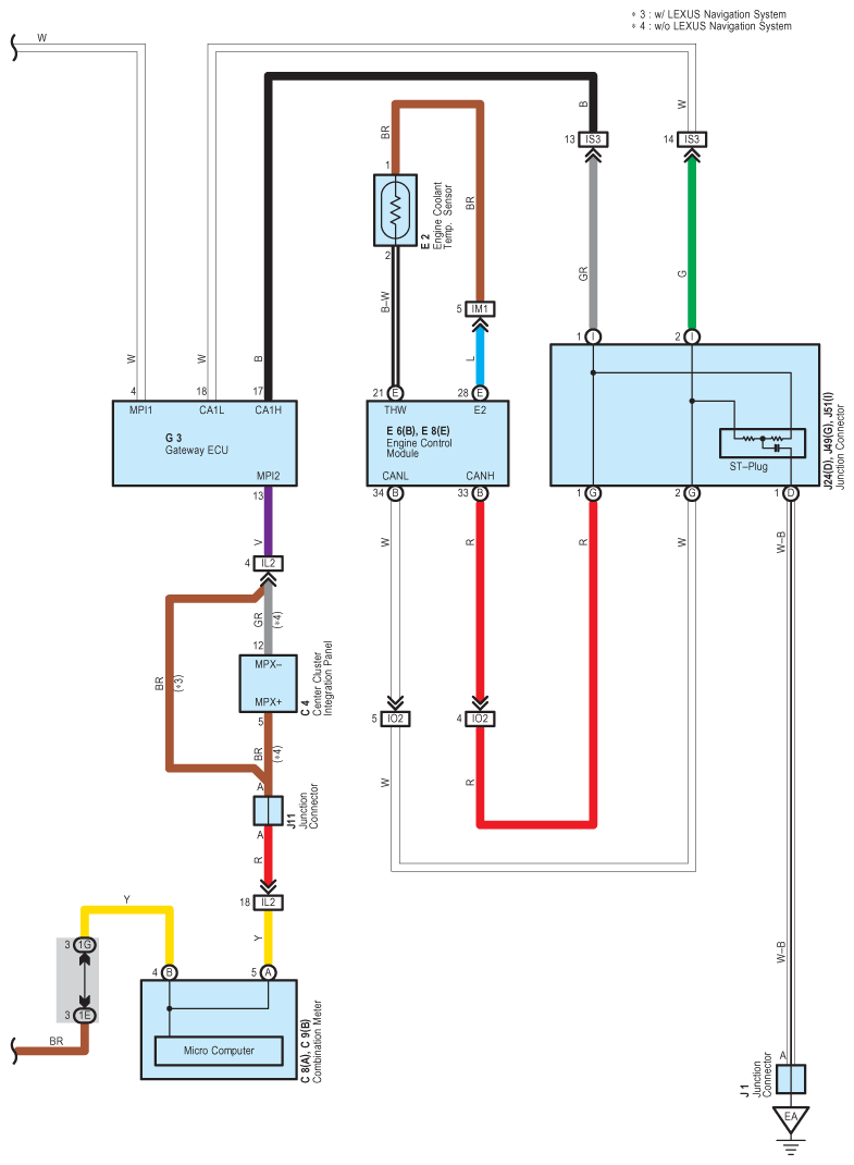
Fig 3: Automatic Air Conditioning - Wiring Diagram (3 Of 4)
G08922104Courtesy of © TOYOTA, LICENSE AGREEMENT TMS1002
Fig 4: Automatic Air Conditioning - Wiring Diagram (4 Of 4)
G08922105Courtesy of © TOYOTA, LICENSE AGREEMENT TMS1002