lemon-mirror:
Home >> Lexus >> 2007 >> RX 350 AWD >> Repair and Diagnosis >> Electrical >> Body Electrical >> OEM System Circuits >> Dynamic Laser Cruise Control >> Notes

Dynamic Laser Cruise Control: Notes

Fig 1: Dynamic Laser Cruise Control - Wiring Diagram (1 Of 10)
G08921910Courtesy of © TOYOTA, LICENSE AGREEMENT TMS1002
Fig 2: Dynamic Laser Cruise Control - Wiring Diagram (2 Of 10)
G08921911Courtesy of © TOYOTA, LICENSE AGREEMENT TMS1002
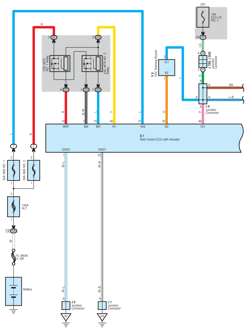
Fig 3: Dynamic Laser Cruise Control - Wiring Diagram (3 Of 10)
G08921912Courtesy of © TOYOTA, LICENSE AGREEMENT TMS1002
Fig 4: Dynamic Laser Cruise Control - Wiring Diagram (4 Of 10)
G08921913Courtesy of © TOYOTA, LICENSE AGREEMENT TMS1002
Fig 5: Dynamic Laser Cruise Control - Wiring Diagram (5 Of 10)
G08921914Courtesy of © TOYOTA, LICENSE AGREEMENT TMS1002
Fig 6: Dynamic Laser Cruise Control - Wiring Diagram (6 Of 10)
G08921915Courtesy of © TOYOTA, LICENSE AGREEMENT TMS1002
Fig 7: Dynamic Laser Cruise Control - Wiring Diagram (7 Of 10)
G08921916Courtesy of © TOYOTA, LICENSE AGREEMENT TMS1002
Fig 8: Dynamic Laser Cruise Control - Wiring Diagram (8 Of 10)
G08921917Courtesy of © TOYOTA, LICENSE AGREEMENT TMS1002
Fig 9: Dynamic Laser Cruise Control - Wiring Diagram (9 Of 10)
G08921918Courtesy of © TOYOTA, LICENSE AGREEMENT TMS1002
Fig 10: Dynamic Laser Cruise Control - Wiring Diagram (10 Of 10)
G08921919Courtesy of © TOYOTA, LICENSE AGREEMENT TMS1002