lemon-mirror:
Home >> Lexus >> 2007 >> RX 350 AWD >> Repair and Diagnosis >> Electrical >> Body Electrical >> OEM System Circuits >> Multi Display without LEXUS Navigation System >> Notes

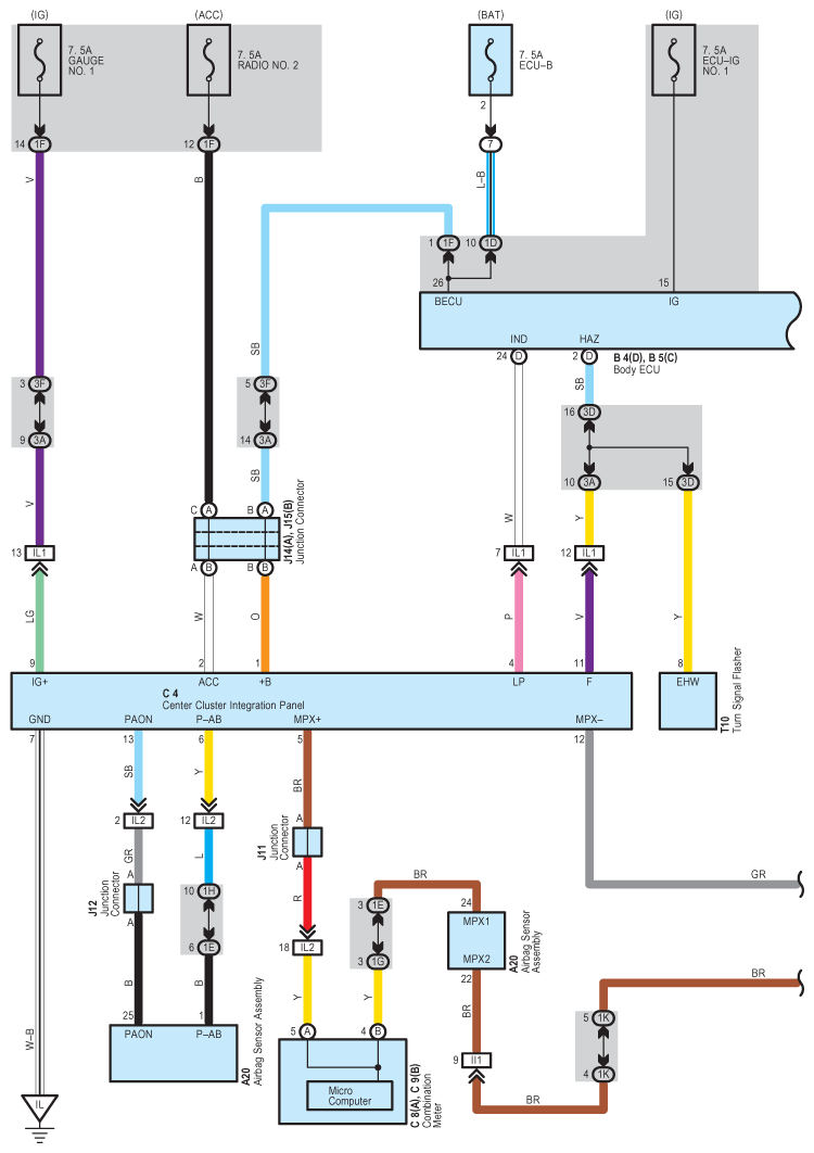
Multi Display without LEXUS Navigation System: Notes

Fig 1: Multi Display Without Lexus Navigation System - Wiring Diagram (1 Of 2)
G08922080Courtesy of © TOYOTA, LICENSE AGREEMENT TMS1002
Fig 2: Multi Display Without Lexus Navigation System - Wiring Diagram (2 Of 2)
G08922081Courtesy of © TOYOTA, LICENSE AGREEMENT TMS1002