lemon-mirror:
Home >> Lexus >> 2007 >> RX 350 AWD >> Repair and Diagnosis >> Electrical >> Body Electrical >> OEM System Circuits >> Power Window >> Notes

Power Window: Notes

Fig 1: Power Window - Wiring Diagram (1 Of 8)
G08921977Courtesy of © TOYOTA, LICENSE AGREEMENT TMS1002
Fig 2: Power Window - Wiring Diagram (2 Of 8)
G08921978Courtesy of © TOYOTA, LICENSE AGREEMENT TMS1002
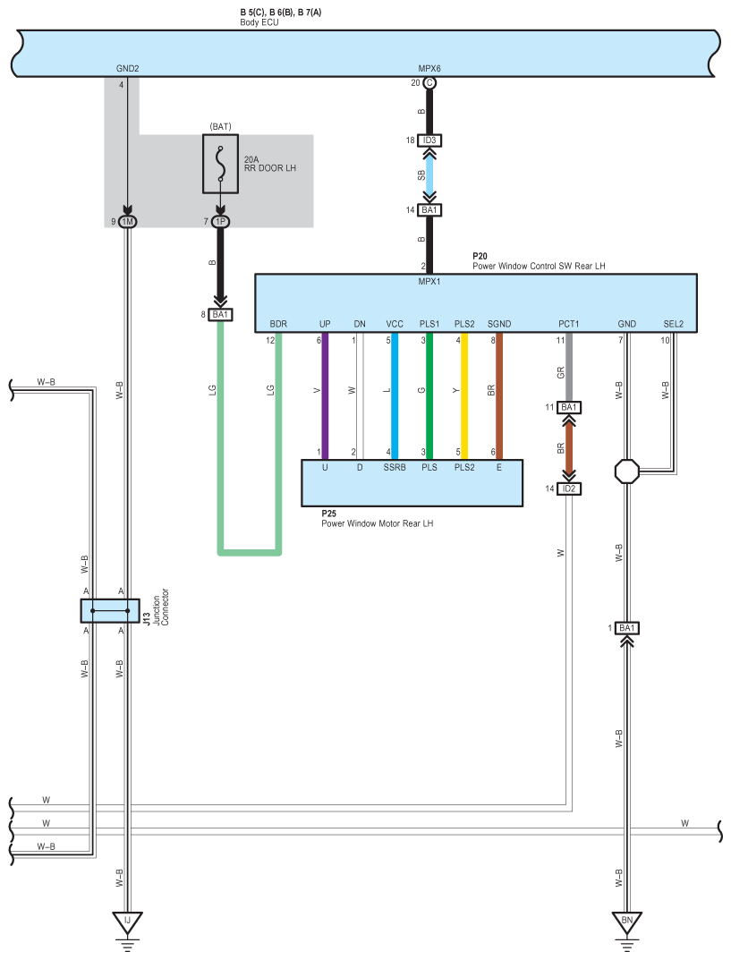
Fig 3: Power Window - Wiring Diagram (3 Of 8)
G08921979Courtesy of © TOYOTA, LICENSE AGREEMENT TMS1002
Fig 4: Power Window - Wiring Diagram (4 Of 8)
G08921980Courtesy of © TOYOTA, LICENSE AGREEMENT TMS1002
Fig 5: Power Window - Wiring Diagram (5 Of 8)
G08921981Courtesy of © TOYOTA, LICENSE AGREEMENT TMS1002
Fig 6: Power Window - Wiring Diagram (6 Of 8)
G08921982Courtesy of © TOYOTA, LICENSE AGREEMENT TMS1002
Fig 7: Power Window - Wiring Diagram (7 Of 8)
G08921983Courtesy of © TOYOTA, LICENSE AGREEMENT TMS1002
Fig 8: Power Window - Wiring Diagram (8 Of 8)
G08921984Courtesy of © TOYOTA, LICENSE AGREEMENT TMS1002