lemon-mirror:
Home >> Lexus >> 2007 >> RX 350 AWD >> Repair and Diagnosis >> Suspension >> Suspension Control Systems >> Suspension Control >> Height Control Compressor >> Installation

Height Control Compressor: Installation

  1. INSTALL HEIGHT CONTROL COMPRESSOR ASSEMBLY 
    1. Coat the O-ring with MP grease, install the height control compressor assembly.

      HINT:

      When the height control compressor assembly is replaced with new one, it doesn't require a new O-ring.

  2. INSTALL HEIGHT CONTROL DRYER ASSEMBLY 
    1. Install the height control dryer assembly with a bolt onto the height control compressor assembly.

      Torque: 6.4 N*m (65 kgf*cm, 57 in.*lbf) 

      Fig 1: Identifying Bolt On Height Control Dryer Assembly
      G05269886Courtesy of © TOYOTA, LICENSE AGREEMENT TMS1002
    2. Connect the height control tube No. 2 to the height control dryer assembly.
      Fig 2: Identifying Height Control Tube
      G05269885Courtesy of © TOYOTA, LICENSE AGREEMENT TMS1002
    3. Lock the clip and holder.

      HINT:

      For the installation procedure of the (type 3) tube, refer to PRECAUTION  .

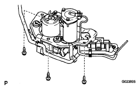
  3. INSTALL REAR HEIGHT CONTROL COMPRESSOR BRACKET 
    1. Install the 3 height control compressor bush No. 2 onto the rear height control compressor bracket.
    2. Install the rear height control compressor bracket with the 3 bolts onto the height control compressor assembly.

      Torque: 5.9 N*m (60 kgf*cm, 52 in.*lbf) 

      Fig 3: Identifying Rear Height Control Compressor Bracket
      G05269890Courtesy of © TOYOTA, LICENSE AGREEMENT TMS1002
    3. Install the 3 clamps.
  4. INSTALL HEIGHT CONTROL FILTER 
    1. Install the 2 hoses and 2 clips to the height control filter.
    2. Install a clamp onto the height control filter.
      Fig 4: Identifying Rear Height Control Compressor Bracket With Clamps
      G05269884Courtesy of © TOYOTA, LICENSE AGREEMENT TMS1002
    3. Connect the height control filter onto the rear height control compressor bracket.
  5. INSTALL REAR HEIGHT CONTROL COMPRESSOR BRACKET 
    1. Passing the wire harness sub-assembly between the bracket and compressor, temporarily place the bracket.
      Fig 5: Passing Wire Harness Sub-Assembly Between Bracket & Compressor
      G05269892Courtesy of © TOYOTA, LICENSE AGREEMENT TMS1002
    2. Install the rear height control compressor bracket with the 3 bolts onto the height control compressor bracket.

      Torque: 19 N*m (194 kgf*cm, 14 ft.*lbf) 

      Fig 6: Identifying Rear Height Control Compressor Bracket With Bolts
      G05269882Courtesy of © TOYOTA, LICENSE AGREEMENT TMS1002
    3. Connect the hose to the cap grommet and clamp it.
      Fig 7: Identifying Hose To Cap Grommet Clamp
      G05269881Courtesy of © TOYOTA, LICENSE AGREEMENT TMS1002
    4. Install the 3 clamps and the 2 connectors.
      Fig 8: Identifying Connectors & Wire Harness Clamps
      G05269880Courtesy of © TOYOTA, LICENSE AGREEMENT TMS1002
  6. CONNECT HEIGHT CONTROL TUBE NO.2 
    1. Install a new O-ring onto the height control tube No. 2.
    2. Coat the O-ring with MP grease.
    3. Connect the height control tube No. 2 to the 2 way cap.
    4. Fig 9: Identifying Height Control Tube With Clip & Holder
      G05269879Courtesy of © TOYOTA, LICENSE AGREEMENT TMS1002
    5. Lock the tube with a new clip and a new holder.

      HINT:

      For the installation procedure of the (type 3) tube, refer to PRECAUTION  .

  7. INSPECT AIR LEAK 
  8. INSTALL HEIGHT CONTROL COMPRESSOR COVER 
    1. Install the height control compressor cover with the 2 screws, the clip and the bolt.