lemon-mirror:
Home >> Lexus >> 2007 >> RX 350 FWD >> Repair and Diagnosis >> Electrical >> Body Electrical >> OEM System Circuits >> ECT and A/T Indicator >> Notes

ECT and A/T Indicator: Notes

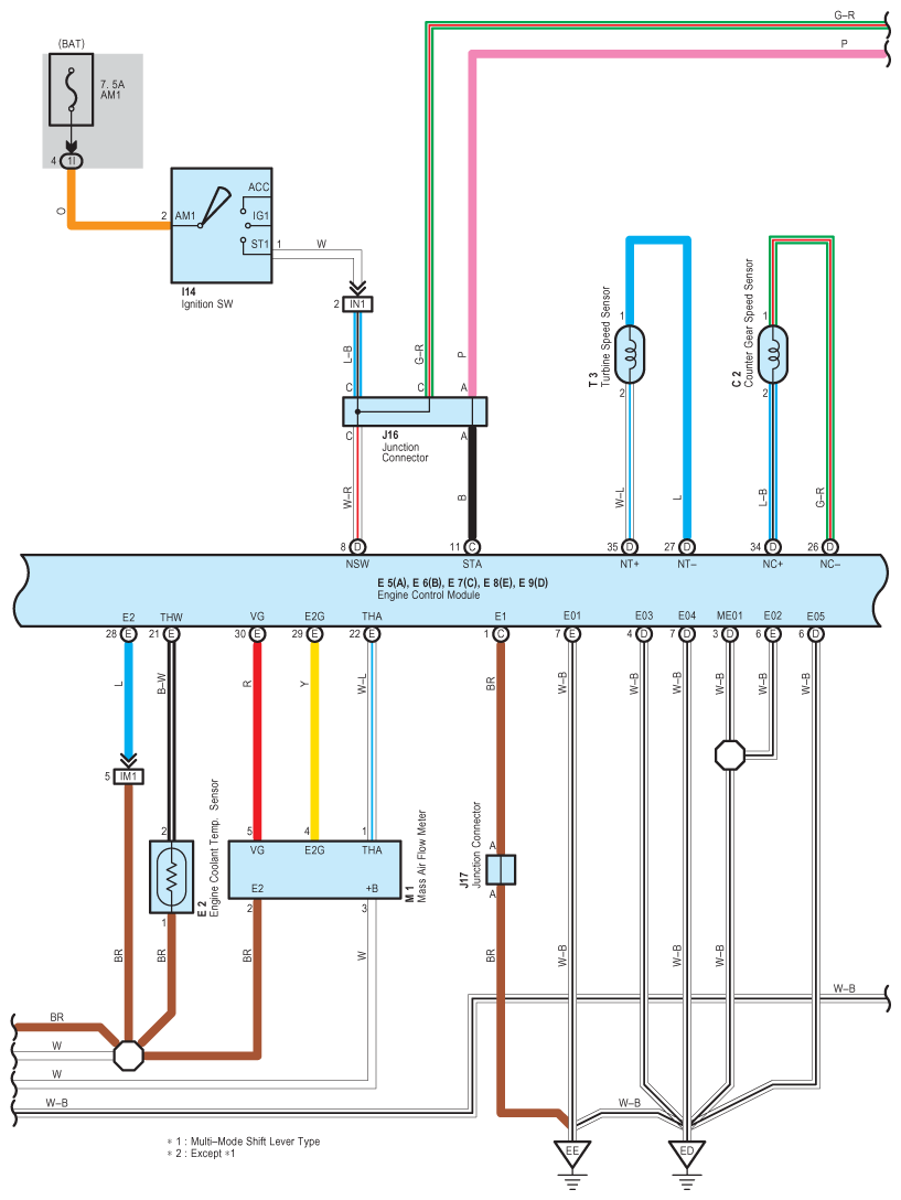
Fig 1: ECT And A/T Indicator - Wiring Diagram (1 Of 8)
G08921902Courtesy of © TOYOTA, LICENSE AGREEMENT TMS1002
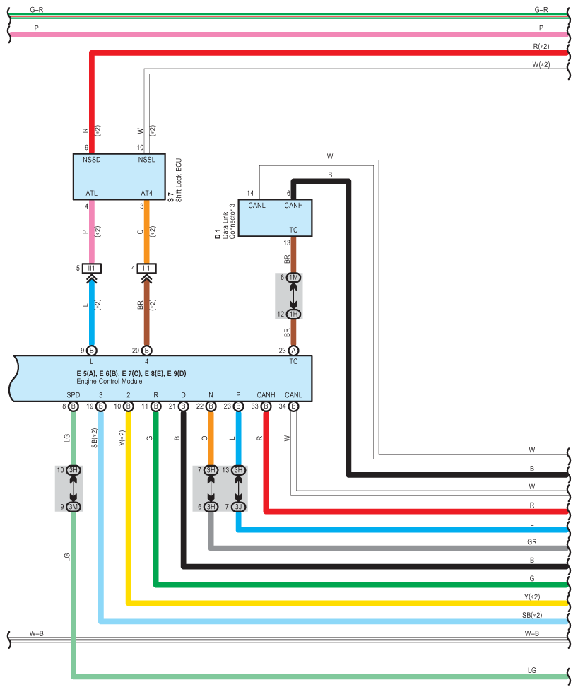
Fig 2: ECT And A/T Indicator - Wiring Diagram (2 Of 8)
G08921903Courtesy of © TOYOTA, LICENSE AGREEMENT TMS1002
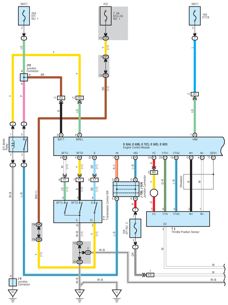
Fig 3: ECT And A/T Indicator - Wiring Diagram (3 Of 8)
G08921904Courtesy of © TOYOTA, LICENSE AGREEMENT TMS1002
Fig 4: ECT And A/T Indicator - Wiring Diagram (4 Of 8)
G08921905Courtesy of © TOYOTA, LICENSE AGREEMENT TMS1002
Fig 5: ECT And A/T Indicator - Wiring Diagram (5 Of 8)
G08921906Courtesy of © TOYOTA, LICENSE AGREEMENT TMS1002
Fig 6: ECT And A/T Indicator - Wiring Diagram (6 Of 8)
G08921907Courtesy of © TOYOTA, LICENSE AGREEMENT TMS1002
Fig 7: ECT And A/T Indicator - Wiring Diagram (7 Of 8)
G08921908Courtesy of © TOYOTA, LICENSE AGREEMENT TMS1002
Fig 8: ECT And A/T Indicator - Wiring Diagram (8 Of 8)
G08921909Courtesy of © TOYOTA, LICENSE AGREEMENT TMS1002