lemon-mirror:
Home >> Lexus >> 2007 >> RX 350 FWD >> Repair and Diagnosis >> Electrical >> Body Electrical >> OEM System Circuits >> Moon Roof >> Notes

Moon Roof: Notes

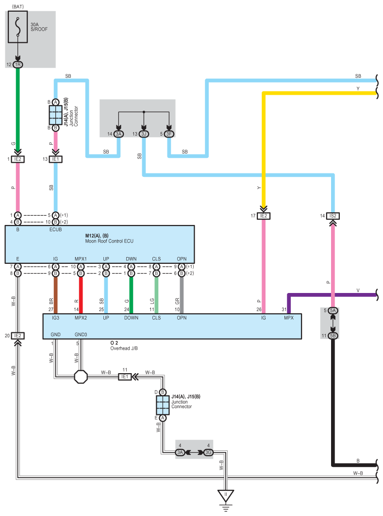
Fig 1: Moon Roof - Wiring Diagram (1 Of 3)
G08921985Courtesy of © TOYOTA, LICENSE AGREEMENT TMS1002
Fig 2: Moon Roof - Wiring Diagram (2 Of 3)
G08921986Courtesy of © TOYOTA, LICENSE AGREEMENT TMS1002
Fig 3: Moon Roof - Wiring Diagram (3 Of 3)
G08921987Courtesy of © TOYOTA, LICENSE AGREEMENT TMS1002