lemon-mirror:
Home >> Lexus >> 2007 >> RX 350 FWD >> Repair and Diagnosis >> Electrical >> Body Electrical >> OEM System Circuits >> Power Back Door >> Notes

Power Back Door: Notes

Fig 1: Power Back Door - Wiring Diagram (1 Of 4)
G08922032Courtesy of © TOYOTA, LICENSE AGREEMENT TMS1002
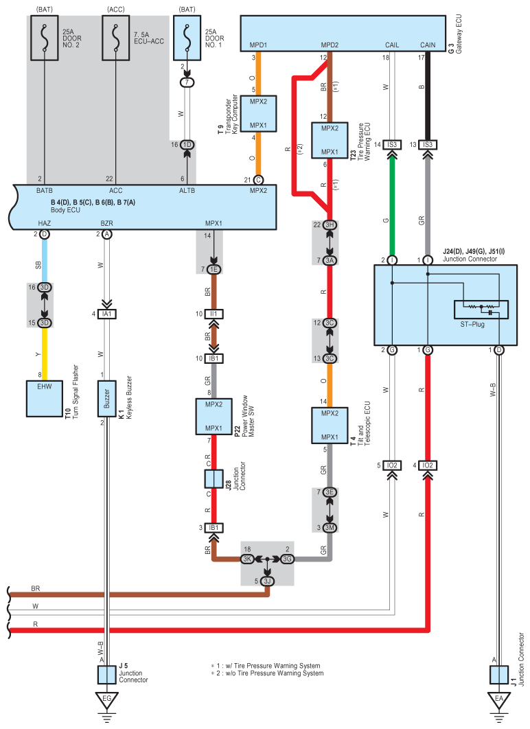
Fig 2: Power Back Door - Wiring Diagram (2 Of 4)
G08922033Courtesy of © TOYOTA, LICENSE AGREEMENT TMS1002
Fig 3: Power Back Door - Wiring Diagram (3 Of 4)
G08922034Courtesy of © TOYOTA, LICENSE AGREEMENT TMS1002
Fig 4: Power Back Door - Wiring Diagram (4 Of 4)
G08922035Courtesy of © TOYOTA, LICENSE AGREEMENT TMS1002