lemon-mirror:
Home >> Lexus >> 2007 >> RX 350 FWD >> Repair and Diagnosis >> Electrical >> Starter >> Starting >> Starting System >> System Diagram

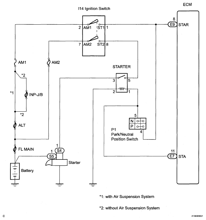
System Diagram

Fig 1: Identifying Starting System Diagram
G05268493Courtesy of © TOYOTA, LICENSE AGREEMENT TMS1002