lemon-mirror:
Home >> Lexus >> 2007 >> RX 350 FWD >> Repair and Diagnosis >> Engine Performance >> Fuel Delivery >> Fuel >> Fuel System >> System Diagram

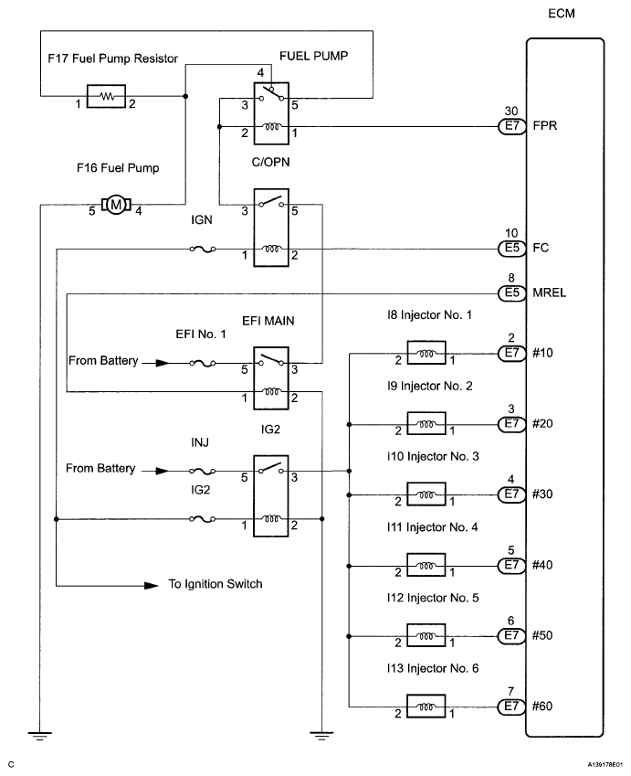
System Diagram

Fig 1: Identifying Fuel System Diagram
G05271516Courtesy of © TOYOTA, LICENSE AGREEMENT TMS1002