lemon-mirror:
Home >> Lexus >> 2007 >> RX 350 FWD >> Repair and Diagnosis >> Engine Performance >> Tune-Up >> Ignition >> Ignition System >> System Diagram

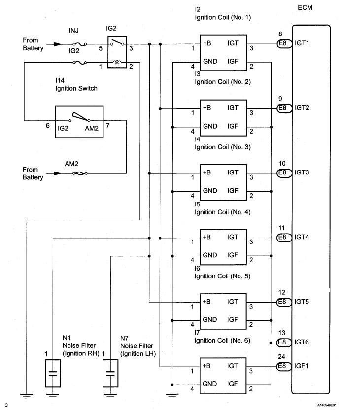
System Diagram

Fig 1: Identifying Ignition System Diagram
G05268471Courtesy of © TOYOTA, LICENSE AGREEMENT TMS1002