lemon-mirror:
Home >> Lexus >> 2007 >> RX 400h FWD >> Repair and Diagnosis >> Electrical >> Body Electrical >> OEM System Circuits >> Automatic Light Control >> Notes

Automatic Light Control: Notes

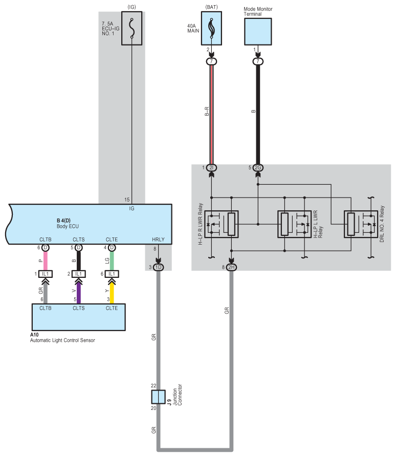
Fig 1: Automatic Light Control - Wiring Diagram (1 Of 2)
G08933007Courtesy of © TOYOTA, LICENSE AGREEMENT TMS1002
Fig 2: Automatic Light Control - Wiring Diagram (2 Of 2)
G08933008Courtesy of © TOYOTA, LICENSE AGREEMENT TMS1002