lemon-mirror:
Home >> Lexus >> 2007 >> RX 400h FWD >> Repair and Diagnosis >> Electrical >> Body Electrical >> OEM System Circuits >> Headlight Beam Level Control >> Notes

Headlight Beam Level Control: Notes

Fig 1: Headlight Beam Level Control - Wiring Diagram (1 Of 3)
G08933019Courtesy of © TOYOTA, LICENSE AGREEMENT TMS1002
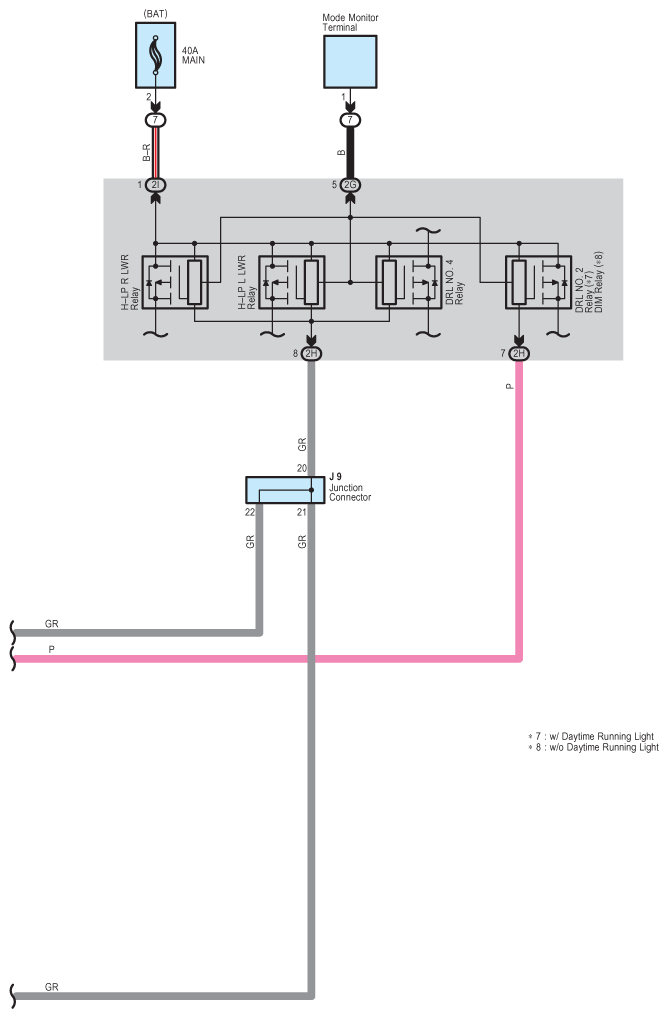
Fig 2: Headlight Beam Level Control - Wiring Diagram (2 Of 3)
G08933020Courtesy of © TOYOTA, LICENSE AGREEMENT TMS1002
Fig 3: Headlight Beam Level Control - Wiring Diagram (3 Of 3)
G08933021Courtesy of © TOYOTA, LICENSE AGREEMENT TMS1002