lemon-mirror:
Home >> Lexus >> 2007 >> RX 400h FWD >> Repair and Diagnosis >> Electrical >> Body Electrical >> OEM System Circuits >> Headlight Cleaner >> Notes

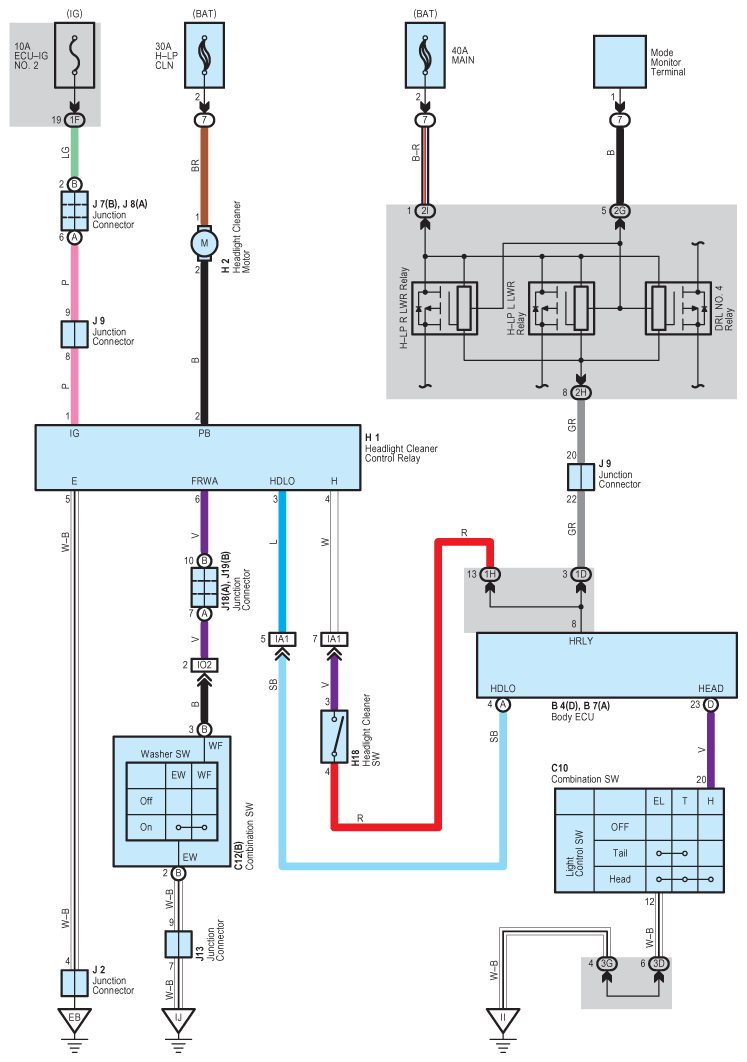
Headlight Cleaner: Notes

Fig 1: Headlight Cleaner - Circuit Diagram
G08933056Courtesy of © TOYOTA, LICENSE AGREEMENT TMS1002