lemon-mirror:
Home >> Lexus >> 2007 >> RX 400h FWD >> Repair and Diagnosis >> Electrical >> Body Electrical >> OEM System Circuits >> Ignition >> Notes

OEM System Circuits: Ignition: Notes

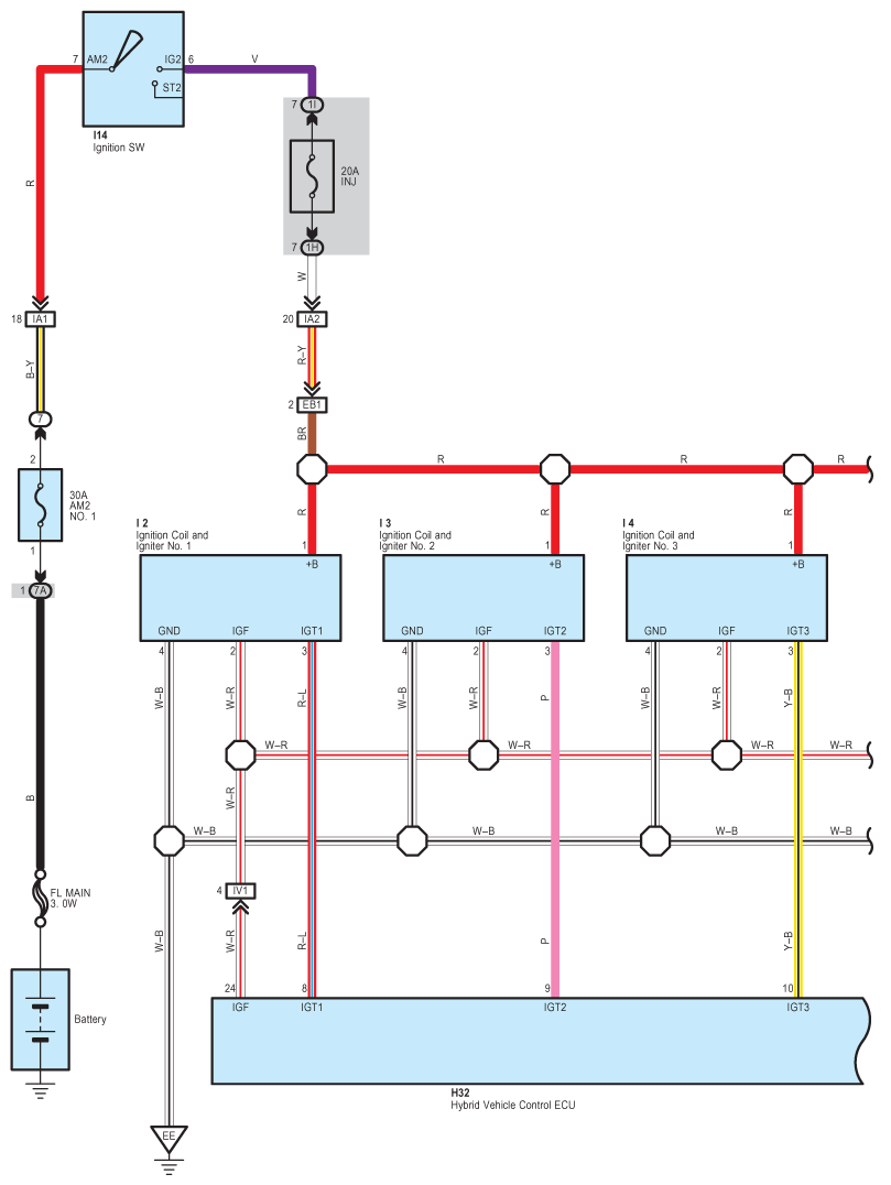
Fig 1: Ignition - Wiring Diagram (1 Of 2)
G08932861Courtesy of © TOYOTA, LICENSE AGREEMENT TMS1002
Fig 2: Ignition - Wiring Diagram (2 Of 2)
G08932862Courtesy of © TOYOTA, LICENSE AGREEMENT TMS1002