lemon-mirror:
Home >> Lexus >> 2007 >> RX 400h FWD >> Repair and Diagnosis >> Electrical >> Component Locations >> Electrical Component Locator >> Component Location Graphics

Component Location Graphics

NOTE: Figures may show multiple component locations. Refer to appropriate table for proper figure references.
Fig 1: Engine Compartment
G00421783Courtesy of © TOYOTA, LICENSE AGREEMENT TMS1002
Fig 2: Dash
G00446172Courtesy of © TOYOTA, LICENSE AGREEMENT TMS1002
Fig 3: Vehicle Overview
G00446173Courtesy of © TOYOTA, LICENSE AGREEMENT TMS1002
Fig 4: Front Seats
G00421786Courtesy of © TOYOTA, LICENSE AGREEMENT TMS1002
Fig 5: Engine Room R/B
G00421788Courtesy of © TOYOTA, LICENSE AGREEMENT TMS1002
Fig 6: R/B No. 1
G00421789Courtesy of © TOYOTA, LICENSE AGREEMENT TMS1002
Fig 7: R/B No. 3
G00421790Courtesy of © TOYOTA, LICENSE AGREEMENT TMS1002
Fig 8: R/B No. 4
G00421791Courtesy of © TOYOTA, LICENSE AGREEMENT TMS1002
Fig 9: Instrument Panel J/B
G00421792Courtesy of © TOYOTA, LICENSE AGREEMENT TMS1002
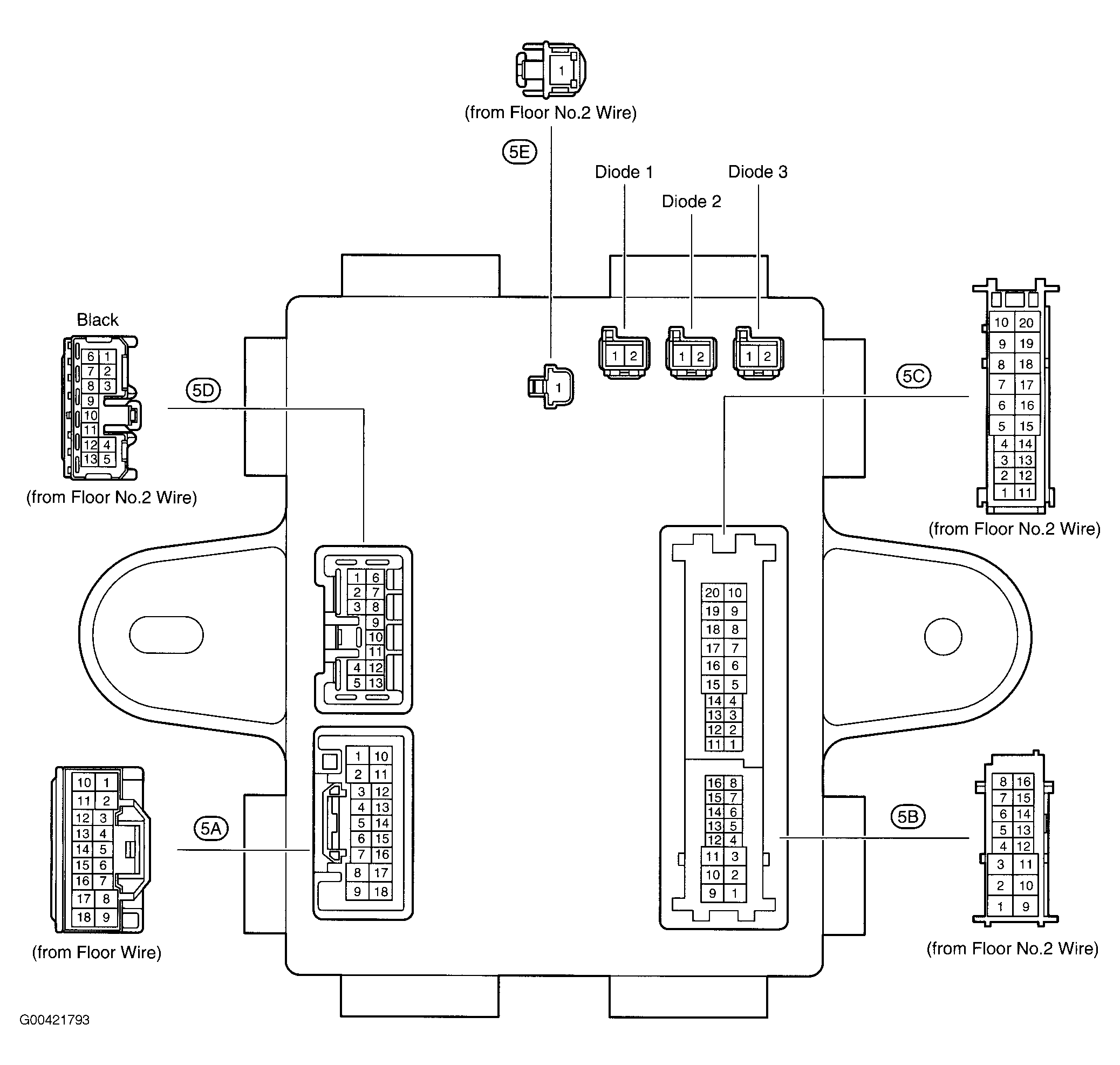
Fig 10: Rear J/B
G00421793Courtesy of © TOYOTA, LICENSE AGREEMENT TMS1002
Fig 11: Engine Compartment
G00421794Courtesy of © TOYOTA, LICENSE AGREEMENT TMS1002
Fig 12: Engine Compartment
G00446175Courtesy of © TOYOTA, LICENSE AGREEMENT TMS1002
Fig 13: Dash
G00421796Courtesy of © TOYOTA, LICENSE AGREEMENT TMS1002
Fig 14: Dash
G00421797Courtesy of © TOYOTA, LICENSE AGREEMENT TMS1002
Fig 15: Dash
G00446176Courtesy of © TOYOTA, LICENSE AGREEMENT TMS1002
Fig 16: Dash
G00446177Courtesy of © TOYOTA, LICENSE AGREEMENT TMS1002
Fig 17: Vehicle Overview
G00421800Courtesy of © TOYOTA, LICENSE AGREEMENT TMS1002
Fig 18: Vehicle Overview
G00446178Courtesy of © TOYOTA, LICENSE AGREEMENT TMS1002
Fig 19: Vehicle Overview
G00446179Courtesy of © TOYOTA, LICENSE AGREEMENT TMS1002
Fig 20: Vehicle Overview
G00446180Courtesy of © TOYOTA, LICENSE AGREEMENT TMS1002
Fig 21: Front Seats
G00446181Courtesy of © TOYOTA, LICENSE AGREEMENT TMS1002
Fig 22: Rear Seat
G00421805Courtesy of © TOYOTA, LICENSE AGREEMENT TMS1002
Fig 23: Engine Compartment
G00421806Courtesy of © TOYOTA, LICENSE AGREEMENT TMS1002
Fig 24: Dash
G00421807Courtesy of © TOYOTA, LICENSE AGREEMENT TMS1002
Fig 25: Dash
G00421808Courtesy of © TOYOTA, LICENSE AGREEMENT TMS1002
Fig 26: Dash
G00446182Courtesy of © TOYOTA, LICENSE AGREEMENT TMS1002
Fig 27: Dash
G00421810Courtesy of © TOYOTA, LICENSE AGREEMENT TMS1002
Fig 28: Dash
G00421811Courtesy of © TOYOTA, LICENSE AGREEMENT TMS1002
Fig 29: Vehicle Overview
G00421812Courtesy of © TOYOTA, LICENSE AGREEMENT TMS1002
Fig 30: Vehicle Overview
G00446183Courtesy of © TOYOTA, LICENSE AGREEMENT TMS1002
Fig 31: Front Seat
G00421814Courtesy of © TOYOTA, LICENSE AGREEMENT TMS1002
Fig 32: Rear Seat
G00421815Courtesy of © TOYOTA, LICENSE AGREEMENT TMS1002
Fig 33: Rear Seats
G00446174Courtesy of © TOYOTA, LICENSE AGREEMENT TMS1002