lemon-mirror:
Home >> Lexus >> 2007 >> RX 400h FWD >> Repair and Diagnosis >> Engine Performance >> Engine Control System >> SFI System >> EVAP System >> Wiring Diagram

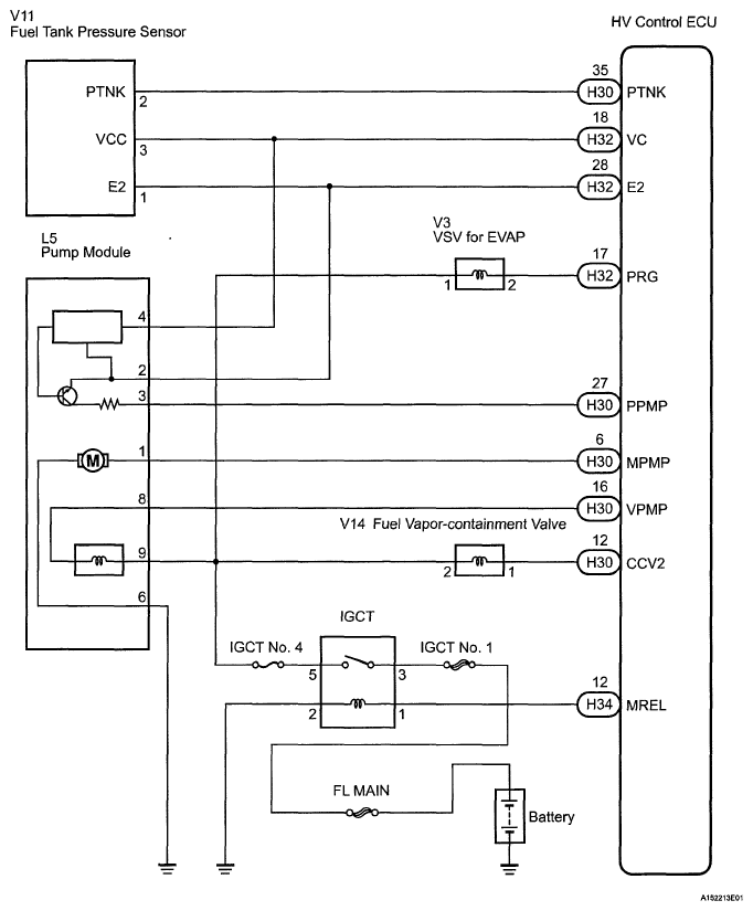
EVAP System: Wiring Diagram

Fig 1: Fuel Tank Pressure Sensor - Wiring Diagram
G05275644Courtesy of © TOYOTA, LICENSE AGREEMENT TMS1002