lemon-mirror:
Home >> Lexus >> 2007 >> RX 400h FWD >> Repair and Diagnosis >> Engine Performance >> Engine Control System >> SFI System >> System Diagram

System Diagram

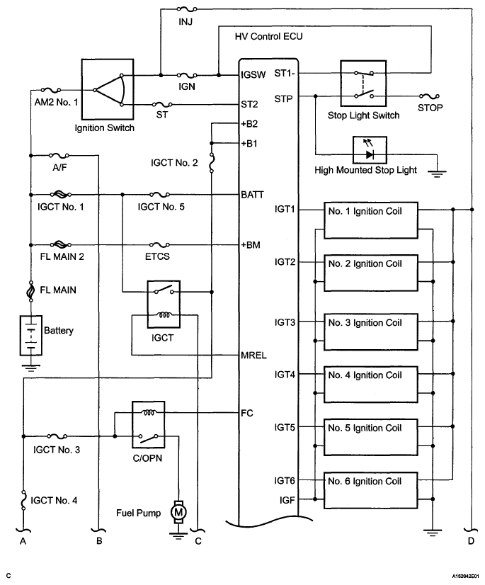
Fig 1: SFI System Diagram (1 Of 4)
G05275512Courtesy of © TOYOTA, LICENSE AGREEMENT TMS1002
Fig 2: SFI System Diagram (2 Of 4)
G05275513Courtesy of © TOYOTA, LICENSE AGREEMENT TMS1002
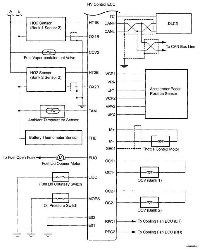
Fig 3: SFI System Diagram (3 Of 4)
G05275514Courtesy of © TOYOTA, LICENSE AGREEMENT TMS1002
Fig 4: SFI System Diagram (4 Of 4)
G05275515Courtesy of © TOYOTA, LICENSE AGREEMENT TMS1002