lemon-mirror:
Home >> Lexus >> 2007 >> RX 400h FWD >> Repair and Diagnosis >> Engine Performance >> Fuel Delivery >> Fuel >> Fuel System >> System Diagram

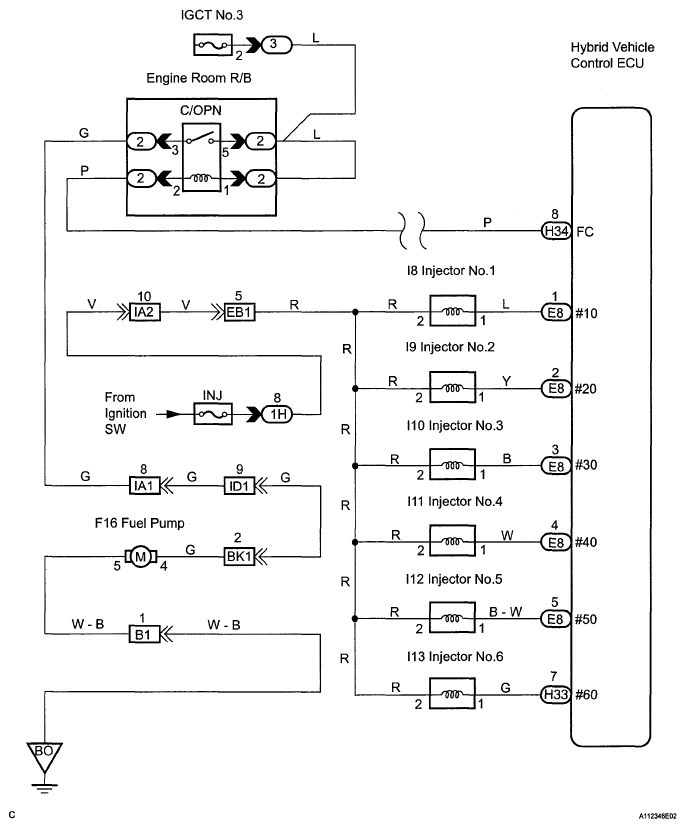
System Diagram

Fig 1: Fuel System Diagram (3MZ-FE FUEL)
G05276387Courtesy of © TOYOTA, LICENSE AGREEMENT TMS1002