lemon-mirror:
Home >> Lexus >> 2007 >> SC 430 >> Repair and Diagnosis >> Brakes >> Traction Control >> Brake Control >> Vehicle Stability Control System >> VSC OFF Indicator Light Circuit >> Wiring Diagram

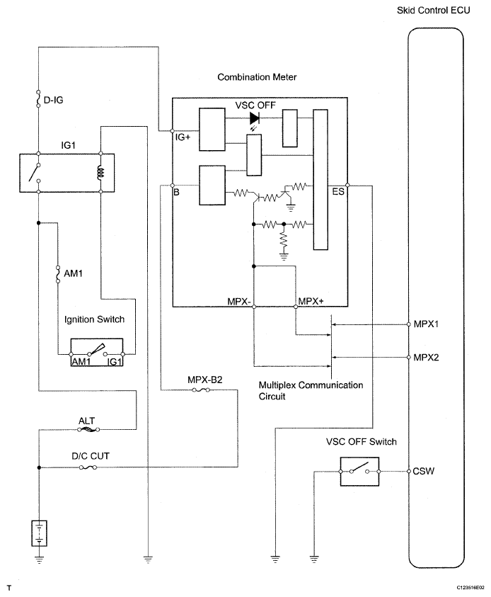
VSC OFF Indicator Light Circuit: Wiring Diagram

Fig 1: VSC OFF Indicator Light Circuit - Wiring Diagram
G05290692Courtesy of © TOYOTA, LICENSE AGREEMENT TMS1002