lemon-mirror:
Home >> Lexus >> 2007 >> SC 430 >> Repair and Diagnosis >> Electrical >> Body Electrical >> OEM System Circuits >> Cruise Control >> Notes

Cruise Control: Notes

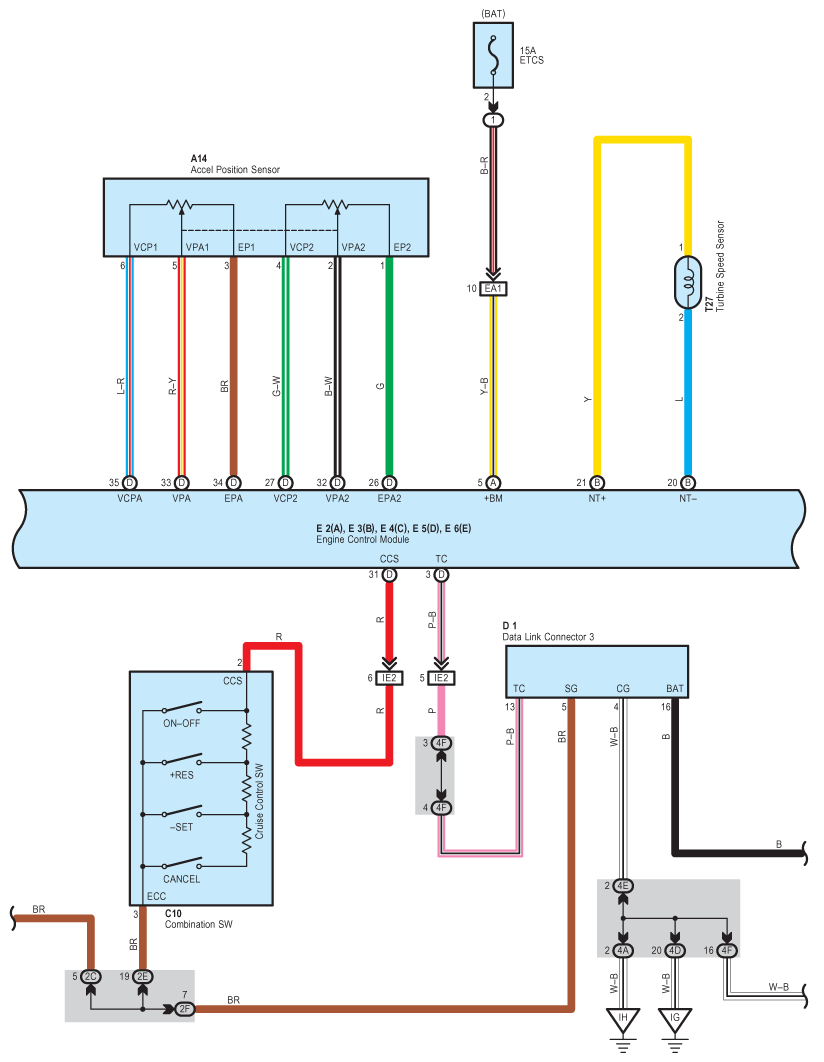
Fig 1: Cruise Control - Wiring Diagram (1 Of 5)
G08933872Courtesy of © TOYOTA, LICENSE AGREEMENT TMS1002
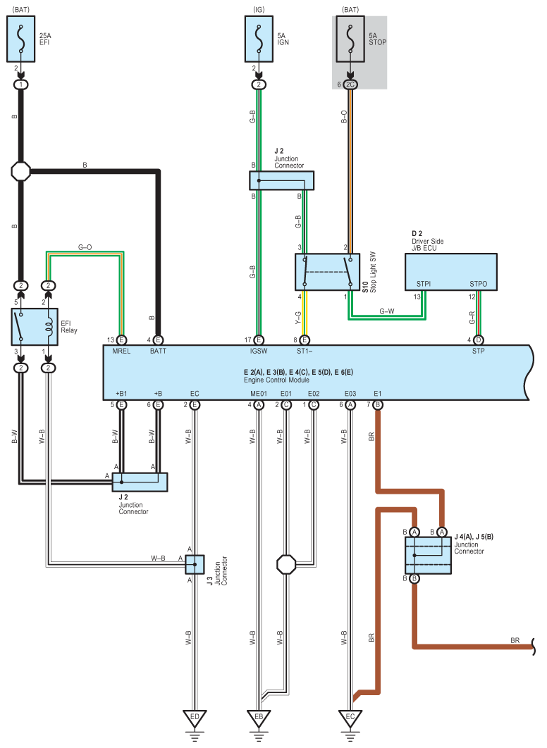
Fig 2: Cruise Control - Wiring Diagram (2 Of 5)
G08933873Courtesy of © TOYOTA, LICENSE AGREEMENT TMS1002
Fig 3: Cruise Control - Wiring Diagram (3 Of 5)
G08933874Courtesy of © TOYOTA, LICENSE AGREEMENT TMS1002
Fig 4: Cruise Control - Wiring Diagram (4 Of 5)
G08933875Courtesy of © TOYOTA, LICENSE AGREEMENT TMS1002
Fig 5: Cruise Control - Wiring Diagram (5 Of 5)
G08933876Courtesy of © TOYOTA, LICENSE AGREEMENT TMS1002