lemon-mirror:
Home >> Lexus >> 2007 >> SC 430 >> Repair and Diagnosis >> Electrical >> Body Electrical >> OEM System Circuits >> ECT and A/T Indicator >> Notes

ECT and A/T Indicator: Notes

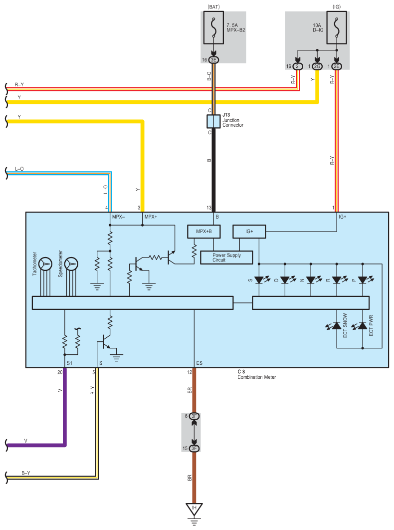
Fig 1: Ect And A/T Indicator - Wiring Diagram (1 Of 6)
G08933866Courtesy of © TOYOTA, LICENSE AGREEMENT TMS1002
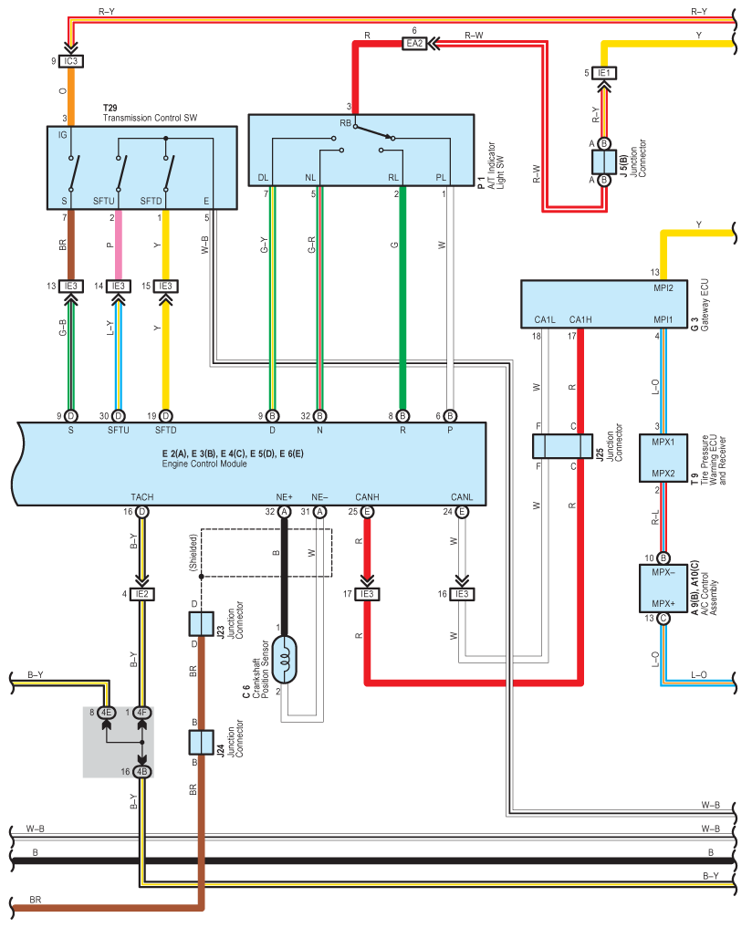
Fig 2: Ect And A/T Indicator - Wiring Diagram (2 Of 6)
G08933867Courtesy of © TOYOTA, LICENSE AGREEMENT TMS1002
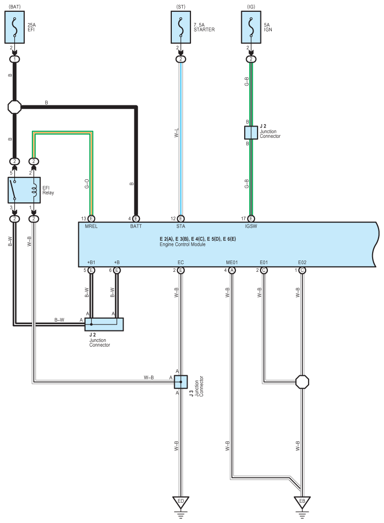
Fig 3: Ect And A/T Indicator - Wiring Diagram (3 Of 6)
G08933868Courtesy of © TOYOTA, LICENSE AGREEMENT TMS1002
Fig 4: Ect And A/T Indicator - Wiring Diagram (4 Of 6)
G08933869Courtesy of © TOYOTA, LICENSE AGREEMENT TMS1002
Fig 5: Ect And A/T Indicator - Wiring Diagram (5 Of 6)
G08933870Courtesy of © TOYOTA, LICENSE AGREEMENT TMS1002
Fig 6: Ect And A/T Indicator - Wiring Diagram (6 Of 6)
G08933871Courtesy of © TOYOTA, LICENSE AGREEMENT TMS1002