lemon-mirror:
Home >> Lexus >> 2007 >> SC 430 >> Repair and Diagnosis >> Electrical >> Body Electrical >> OEM System Circuits >> Electric Tension Reducer >> Notes

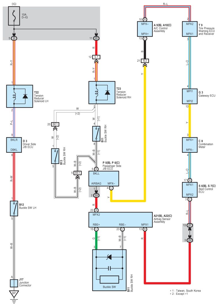
Electric Tension Reducer: Notes

Fig 1: Electric Tension Reducer - Circuit Diagram
G08933905Courtesy of © TOYOTA, LICENSE AGREEMENT TMS1002