lemon-mirror:
Home >> Lexus >> 2007 >> SC 430 >> Repair and Diagnosis >> Electrical >> Body Electrical >> OEM System Circuits >> Engine Immobilizer System >> Notes

Engine Immobilizer System: Notes

Fig 1: Engine Immobilizer System - Wiring Diagram (1 Of 2)
G08933770Courtesy of © TOYOTA, LICENSE AGREEMENT TMS1002
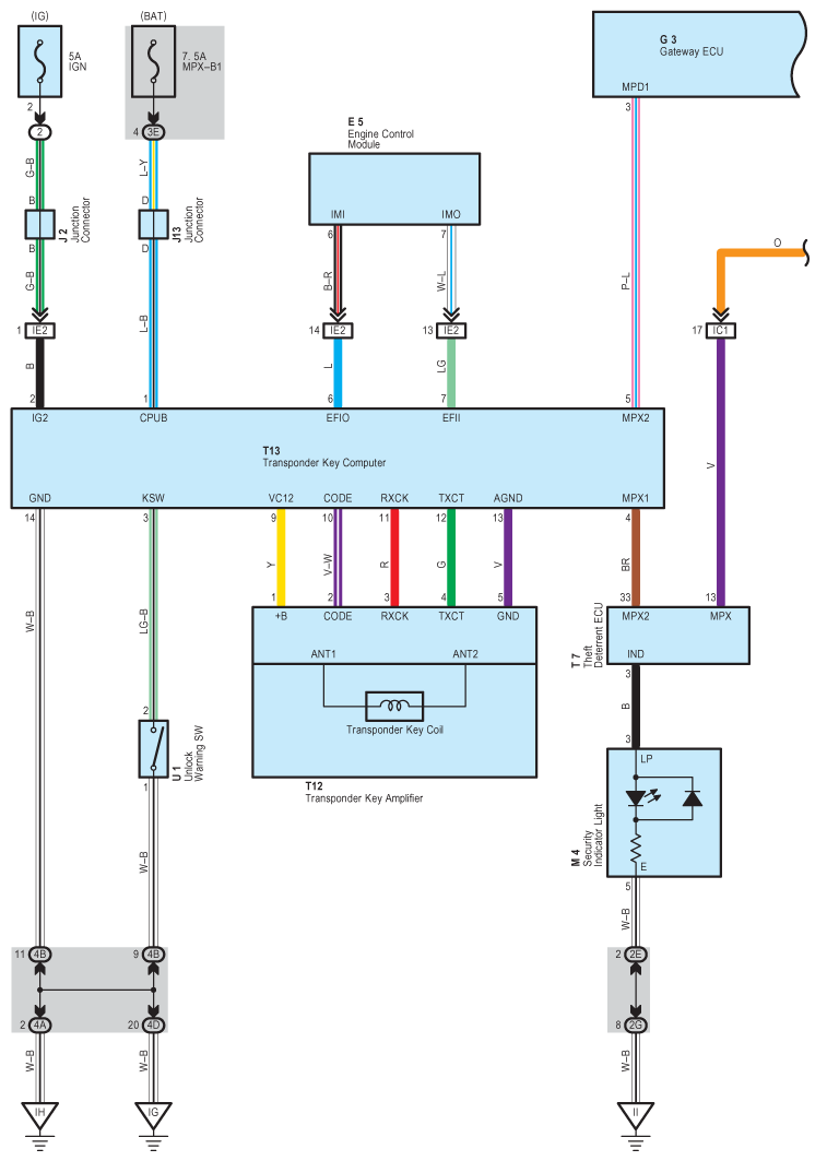
Fig 2: Engine Immobilizer System - Wiring Diagram (2 Of 2)
G08933771Courtesy of © TOYOTA, LICENSE AGREEMENT TMS1002